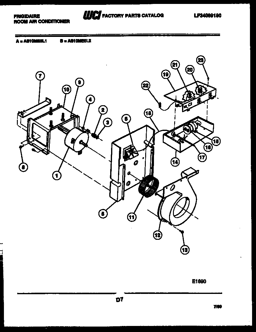
AS10ME5L2 03 – ELECTRICAL PARTSadmin2025-04-26T08:47:36+00:00AS10ME5L2 03 – ELECTRICAL PARTS ProductsPositionProduct1WCI 080474672ASLEEVE2GROMMET3WCI 080474344NUT5WCI 30152826WCI 080474827BAFFLE9BUSHING10BRACKET - COMPRESSOR11WCI 0804751412WCI 300250213WCI 0804756114WCI 0804743115AWCI 300185015STRAP - CAPACITOR - FAN16AWCI 0800904116WCI 301541317CONTROL-EXHAUST DR18WIRE-EXHAUST DR19WCI 301728320WCI 300161521CONTROL TEMPERATURE22SPACER - CONTROL BULB23WCI 08012686