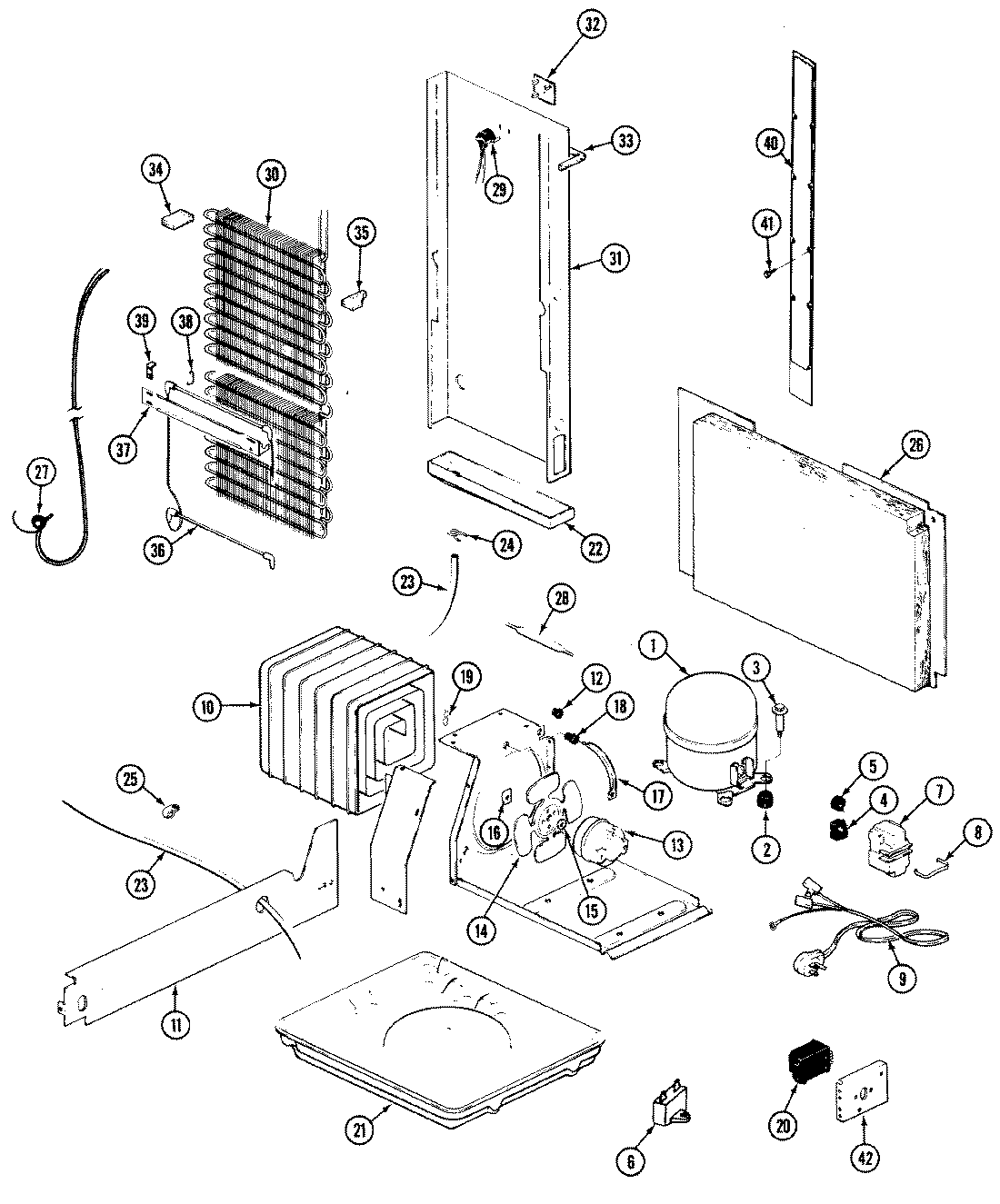
AS22M8A 07 – UNIT COMPARTMENT & SYSTEMadmin2025-04-26T11:51:04+00:00AS22M8A 07 – UNIT COMPARTMENT & SYSTEM ProductsPositionProduct1MAY 120000382MAY 17245-43MAY 69062-13MAY 65275-94MAY 66588-55MAY 69105-86WPW10662129 Whirlpool Refrigerator Run Capacitor7MAY 66589-28MAY 65886-19MAY 52890-210MAY RA43644-110MAY 60408-211WP488729 Whirlpool Refrigerator Door Screw11MAY 66494-112MAY 53351-113MAY 65275-3313833697 Whirlpool Condenser Fan Motor14WP12587601 Whirlpool Refrigerator Condenser Blade15MAY 19913-216WP486692 Whirlpool Refrigerator Nut17MAY 56936-118MAY 56933-119MAY 57051-120MAY 405007-120MAY 69543-620MAY 401009-121MAY 45004-2022MAY 53523-123MAY 26911-1824WP596669 Whirlpool Hose Clamp25MAY 53516-526MAY 66339-127MAY 26088-2227MAY 65013-1628MAY 1390029MAY 52085-2930MAY 52551-2131MAY 65033-132MAY 55878-133MAY 66325-1734MAY 65063-135MAY 65064-136MAY 69848-137MAY 29915-1238MAY 52067-139MAY 70160-239MAY 52561-140MAY 66381-142WP489478 Whirlpool Refrigerator Screw42MAY 108429-242MAY 29282-2