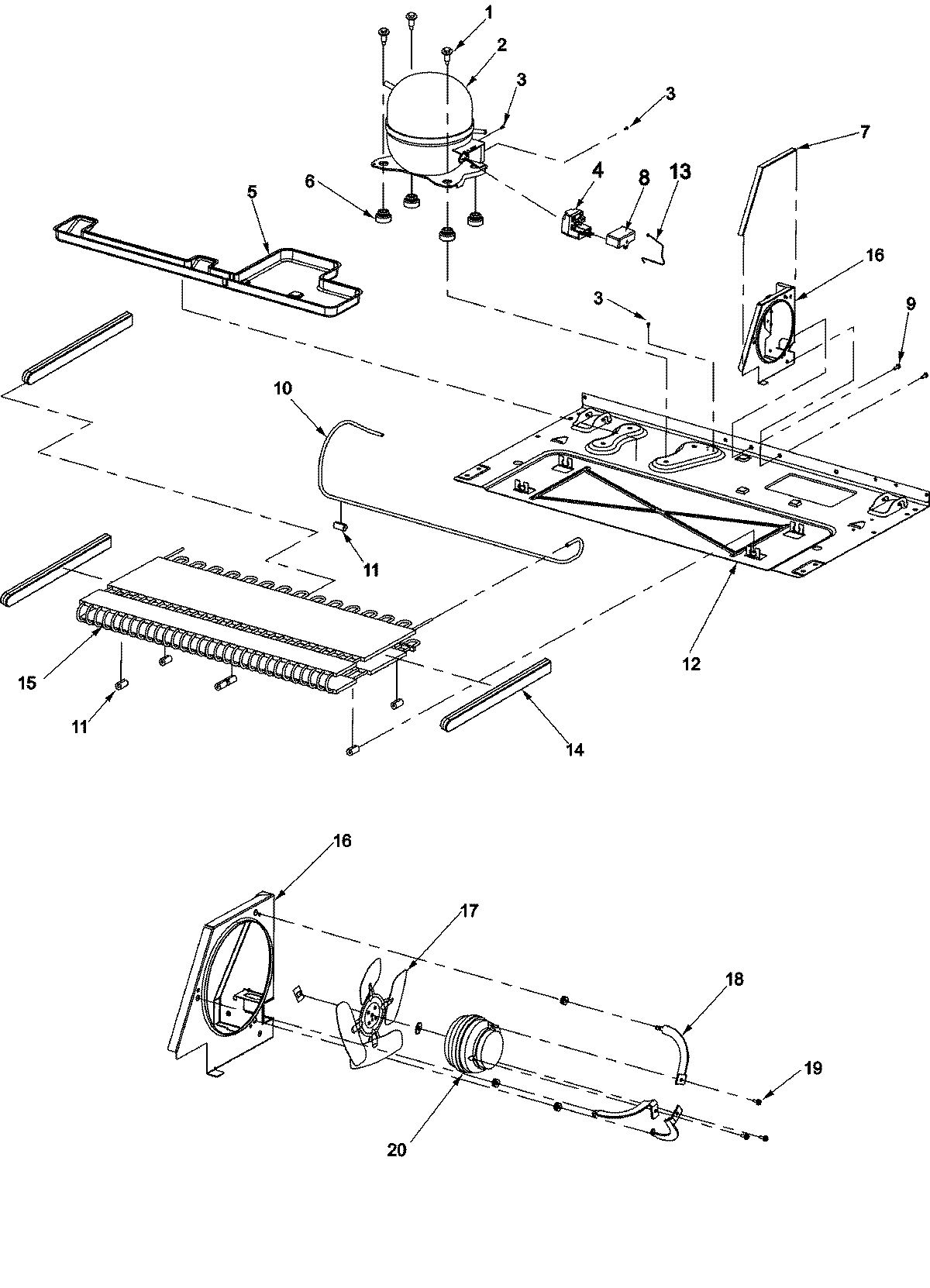
AS2625PEKB 02 – COMPRESSORadmin2025-04-26T11:51:59+00:00AS2625PEKB 02 – COMPRESSOR ProductsPositionProductNIMAY 67005069NIMAY 12973201NIMAY 670050621MAY M02215232MAY 670050282W10309997 Whirlpool Refrigerator Compressor3MAY M02316044MAY 670048155WP12579803 Whirlpool Refrigerator Drain Pan667003493 Whirlpool Refrigerator Compressor Grommet7WP854334 Whirlpool Air Conditioner Sealing Strip8MAY 670028159MAY M023861610MAY 670047001167005680 Whirlpool Refrigerator Condenser Grommet12MAY 6700151212MAY 6700588913MAY 6700705213MAY 6700468714MAY 6700223515WP67006131 Whirlpool Refrigerator Condenser16SHROUD, CONDENSER FAN16MAY 1257530616GROMMET, BRACKET17WP12587601 Whirlpool Refrigerator Condenser Blade18Bracket, Motor (3)19Screw (3)20Motor, Condenser20MAY 10591401