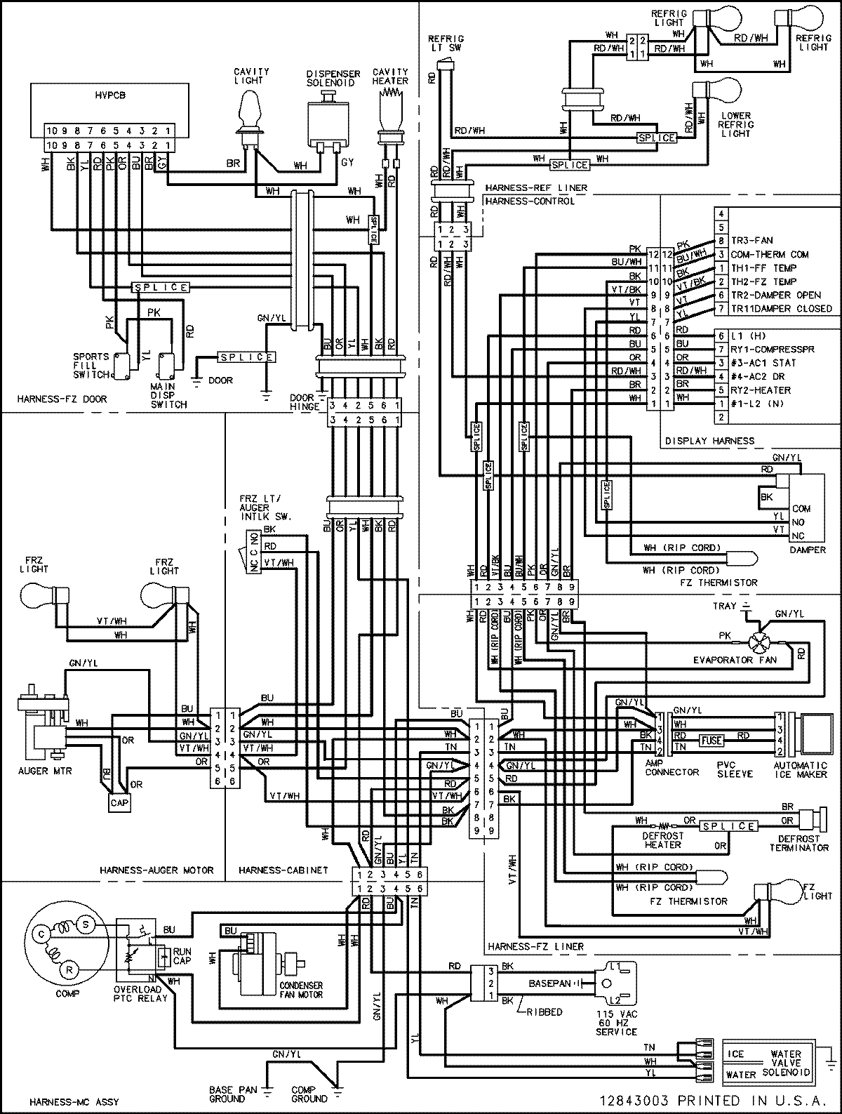
AS2626GEKW 17 – WIRING INFORMATIONadmin2025-04-26T11:53:18+00:00AS2626GEKW 17 – WIRING INFORMATION ProductsPositionProductNIMAY 15003543