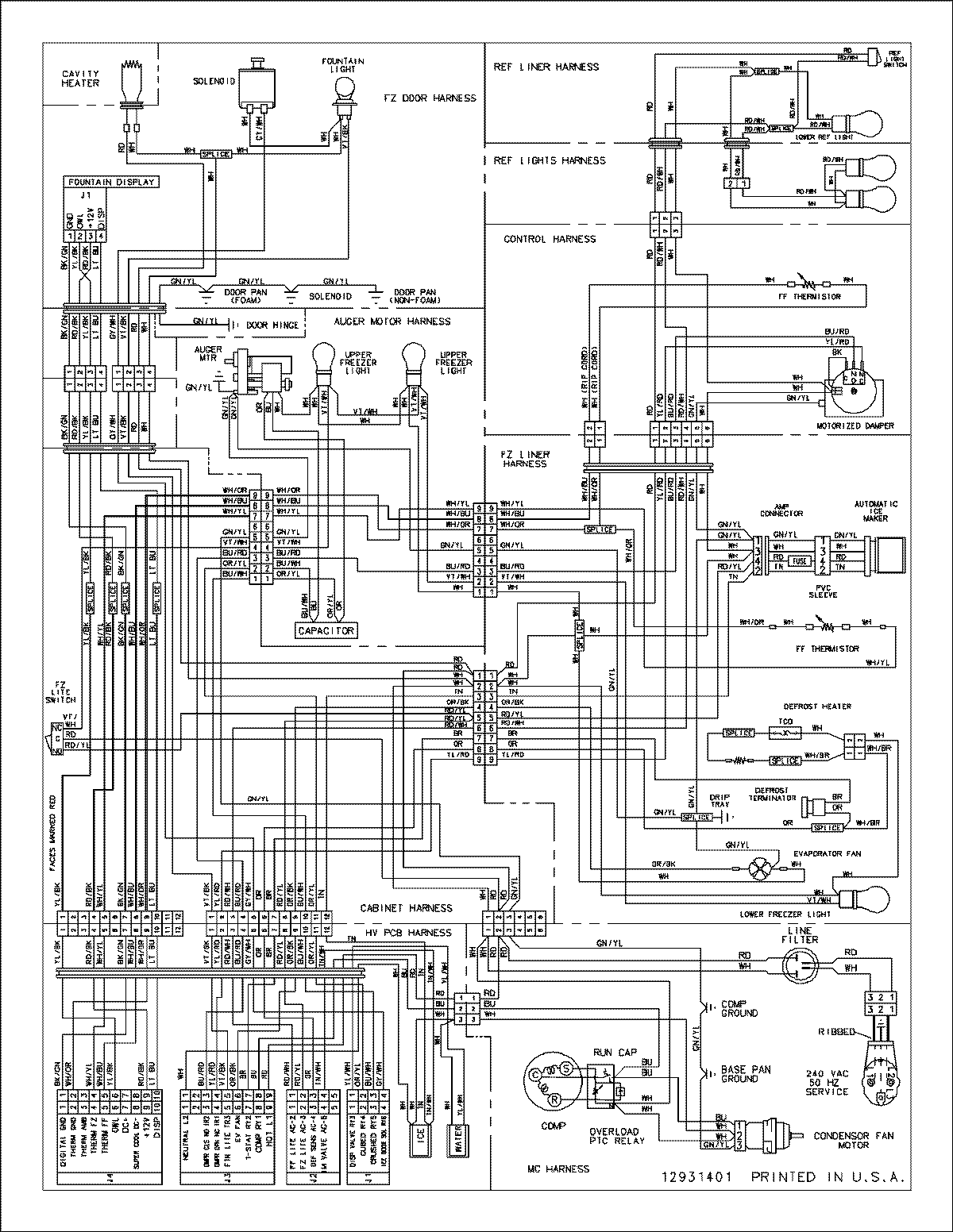
AS2628HEKB 17 – WIRING INFORMATIONadmin2025-04-26T11:52:40+00:00AS2628HEKB 17 – WIRING INFORMATION ProductsPositionProductNIMAY 15003727