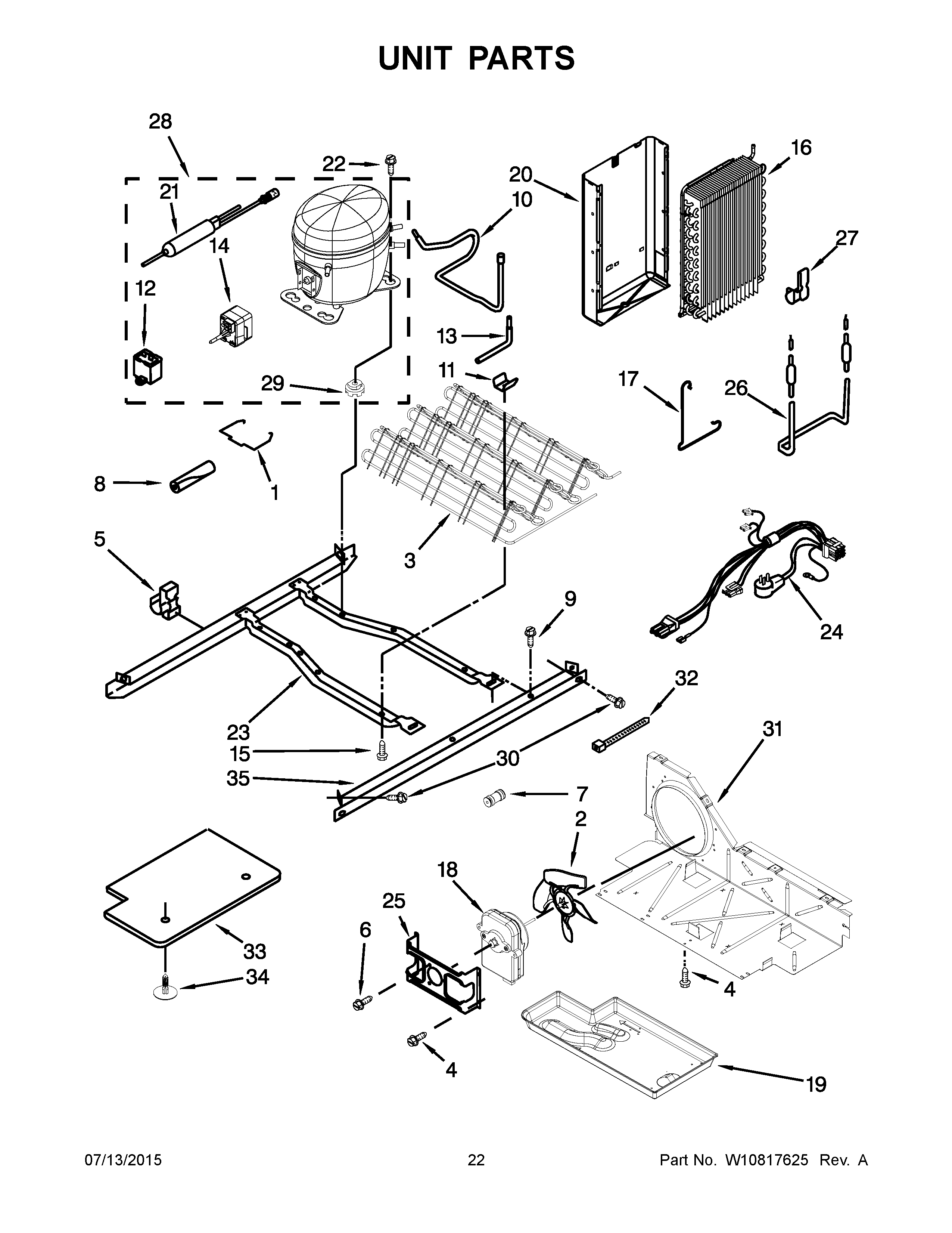
ASD2275BRB02 12 – UNIT PARTS