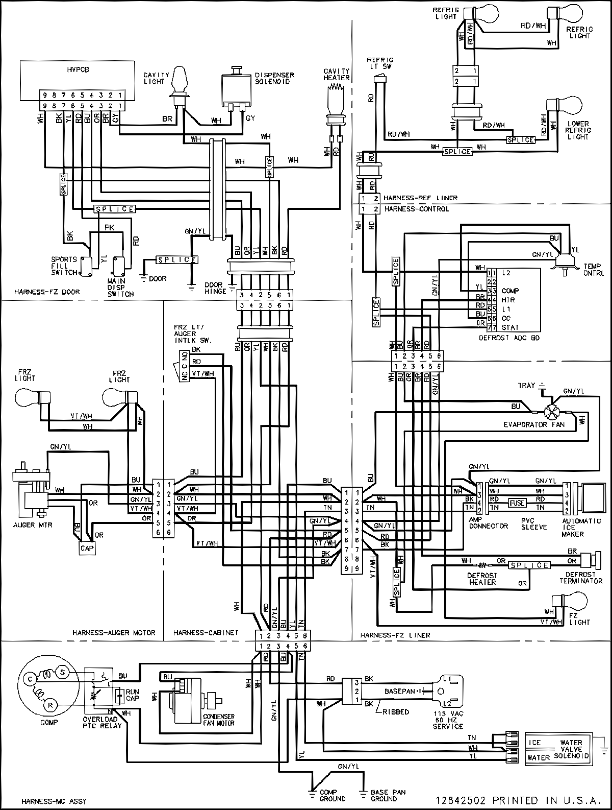
ASD2324HEB 18 – WIRING INFORMATIONadmin2025-04-26T08:55:48+00:00ASD2324HEB 18 – WIRING INFORMATION ProductsPositionProductNIMAY 15003535