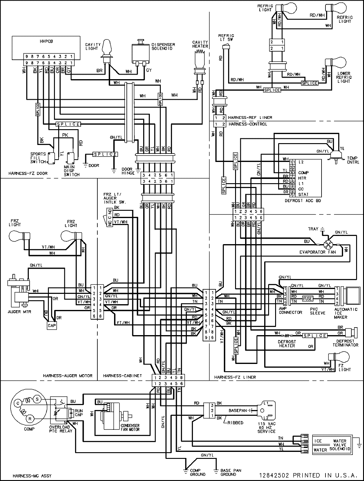
ASD2324HEW 18 – WIRING INFORMATIONadmin2025-04-26T08:56:00+00:00ASD2324HEW 18 – WIRING INFORMATION ProductsPositionProductNIMAY 15003535