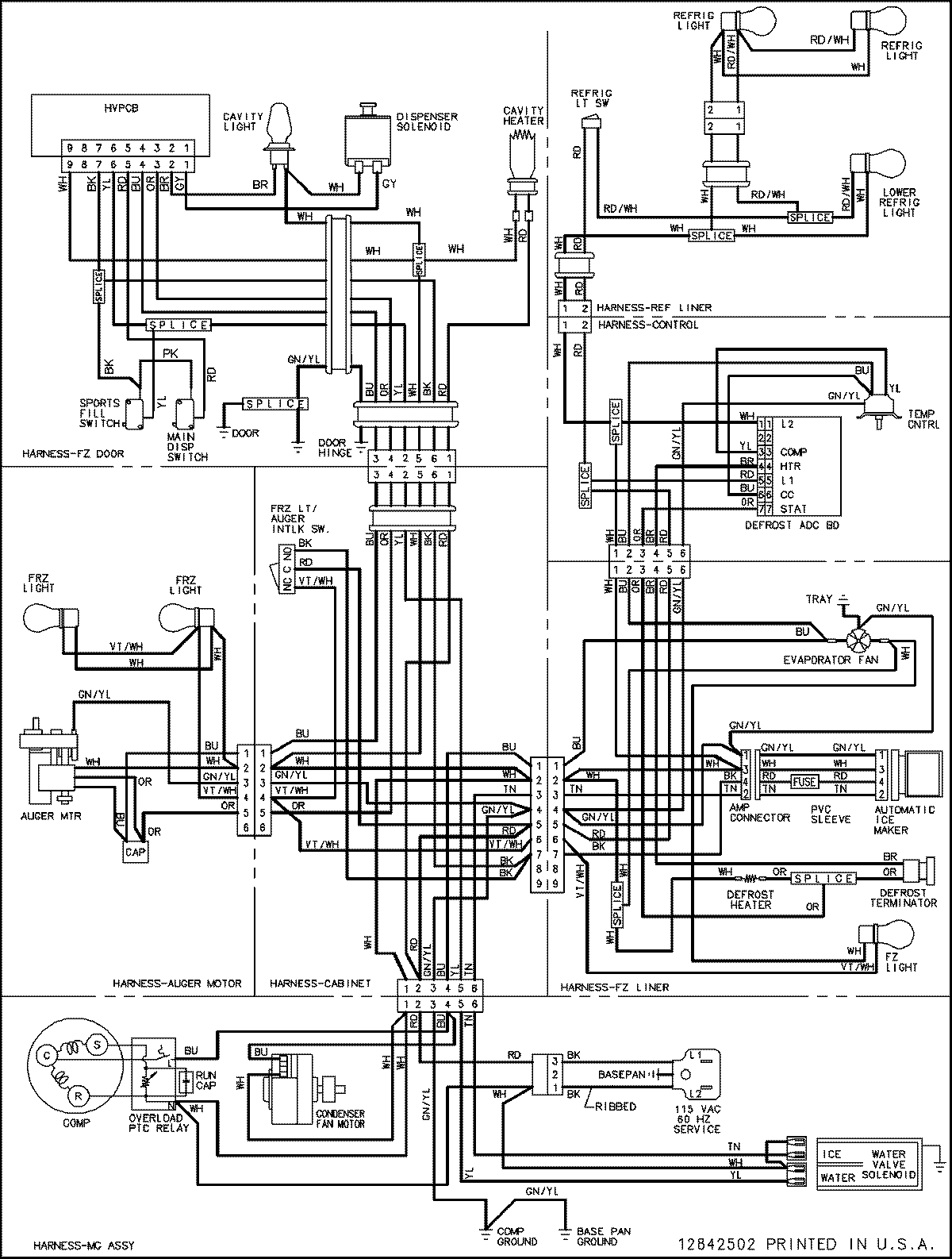
ASD2325KEQ 18 – WIRING INFORMATIONadmin2025-04-26T08:56:10+00:00ASD2325KEQ 18 – WIRING INFORMATION ProductsPositionProductNIMAY 15003969