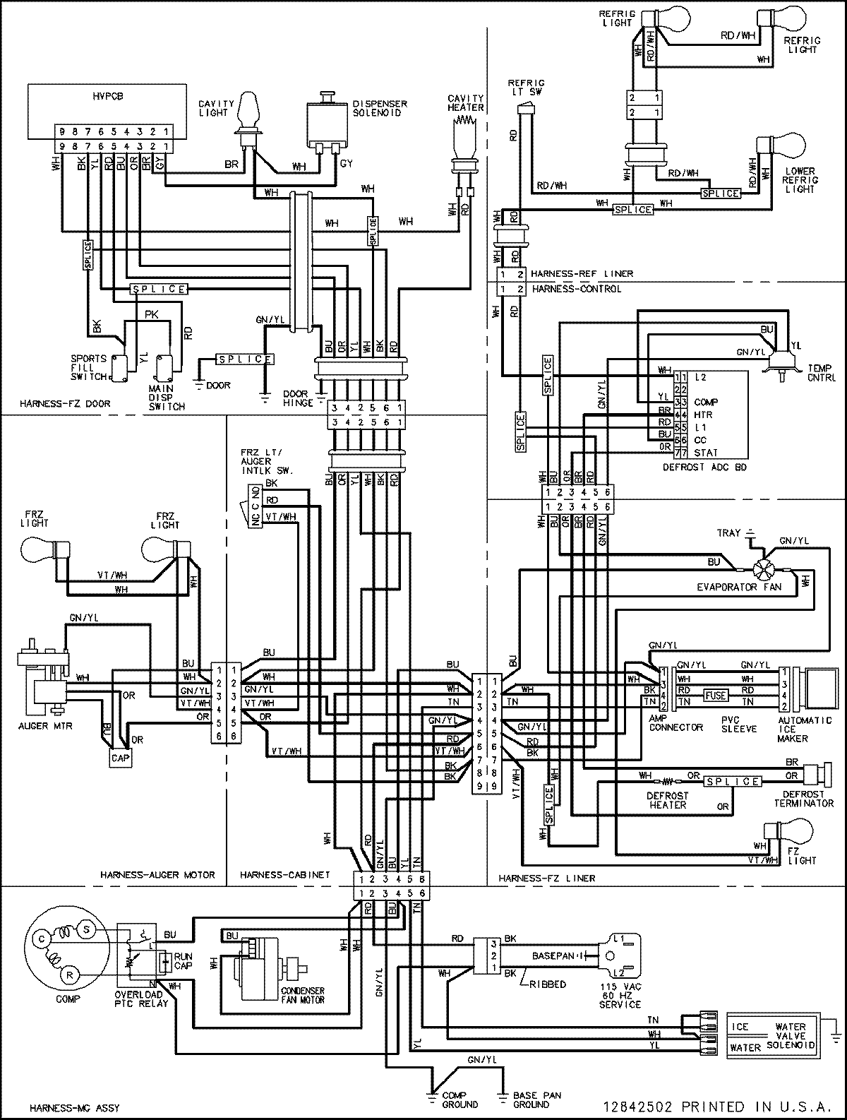
ASD2325KEW 18 – WIRING INFORMATIONadmin2025-04-26T08:56:08+00:00ASD2325KEW 18 – WIRING INFORMATION ProductsPositionProductNIMAY 15003969