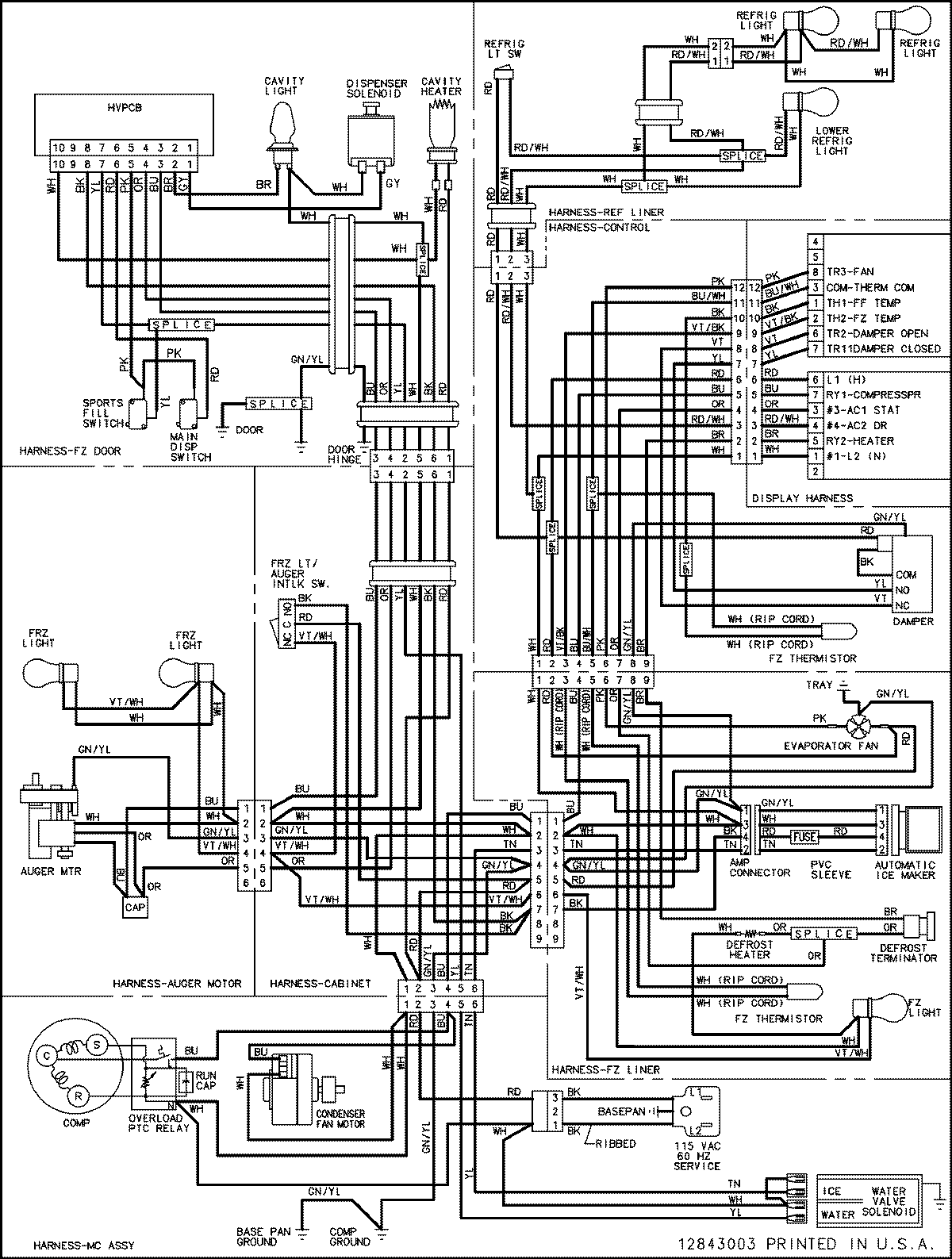
ASD2326HEQ 18 – WIRING INFORMATIONadmin2025-04-26T08:55:50+00:00ASD2326HEQ 18 – WIRING INFORMATION ProductsPositionProductNIMAY 15003543