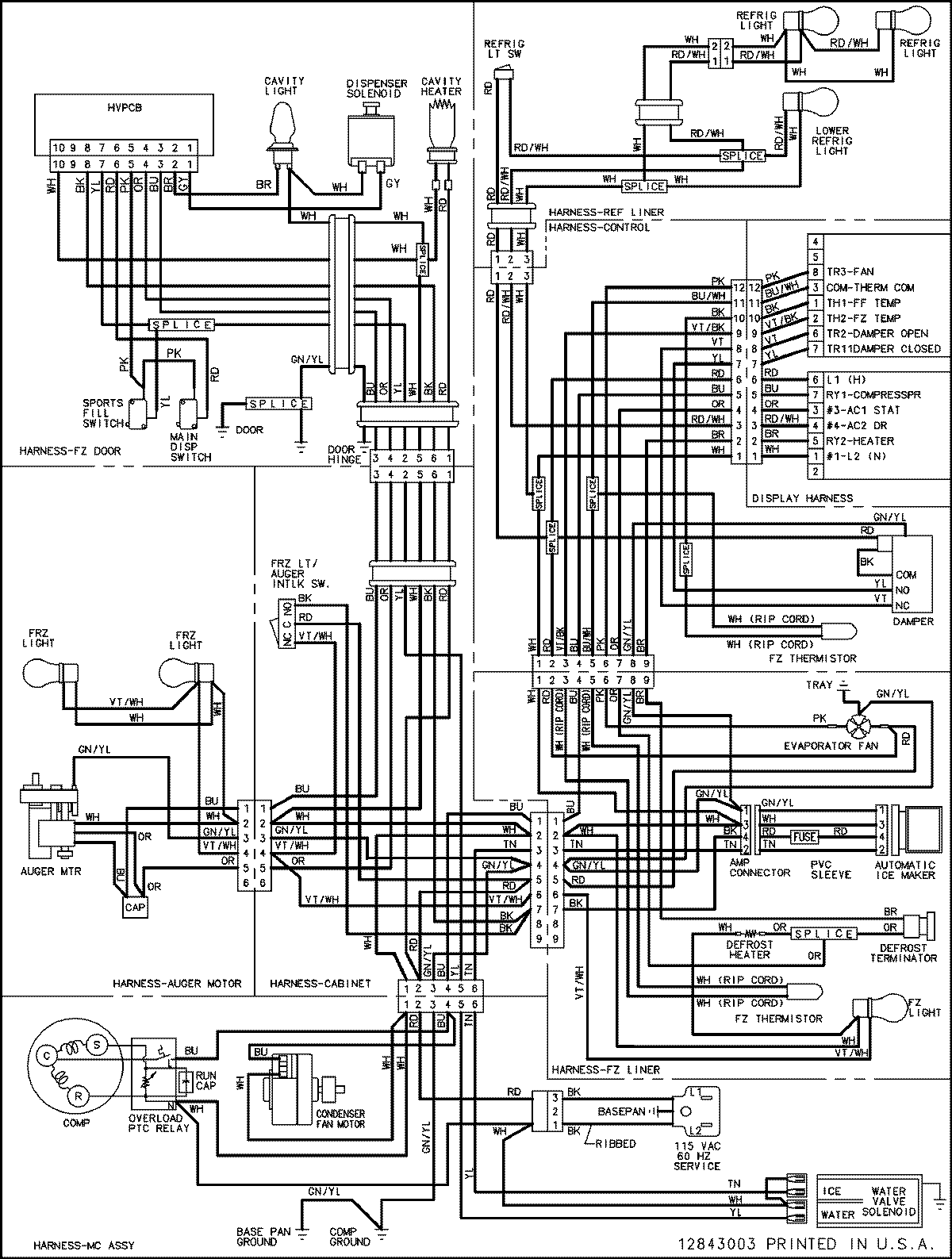
ASD2328HEQ 18 – WIRING INFORMATIONadmin2025-04-26T08:55:58+00:00ASD2328HEQ 18 – WIRING INFORMATION ProductsPositionProductNIMAY 15003676