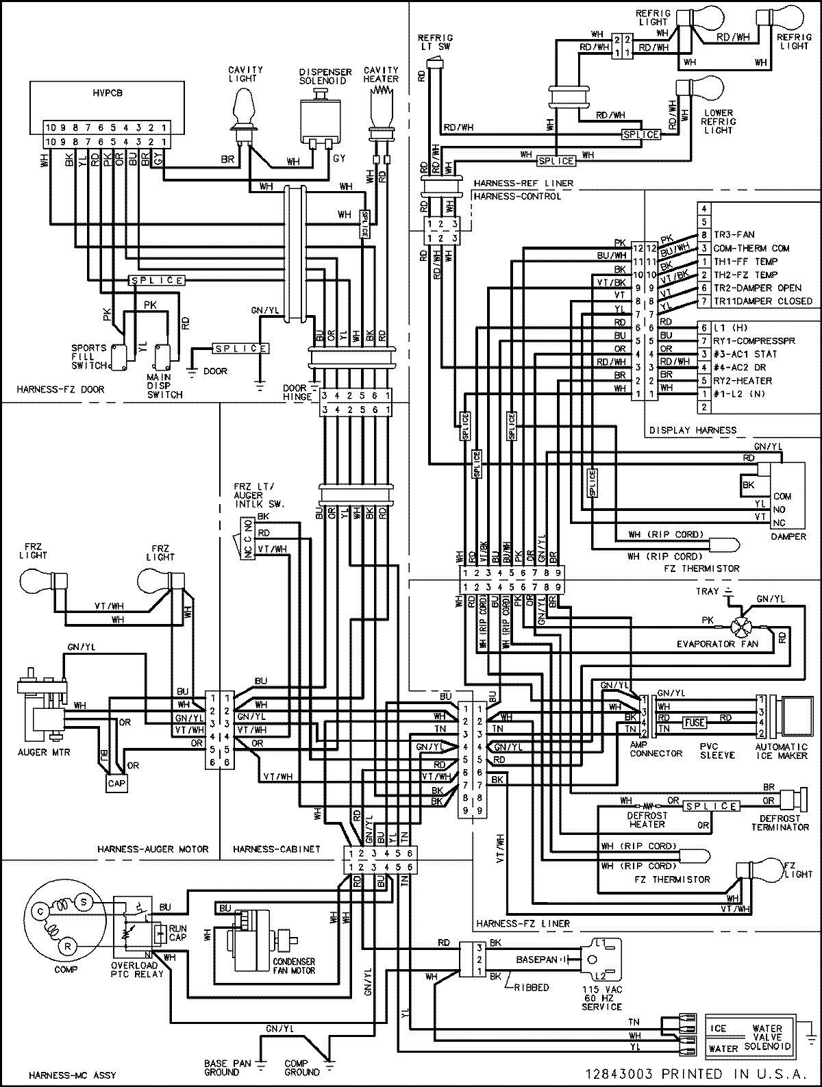
ASD2328HES 18 – WIRING INFORMATIONadmin2025-04-26T08:56:11+00:00ASD2328HES 18 – WIRING INFORMATION ProductsPositionProductNIMAY 15003676