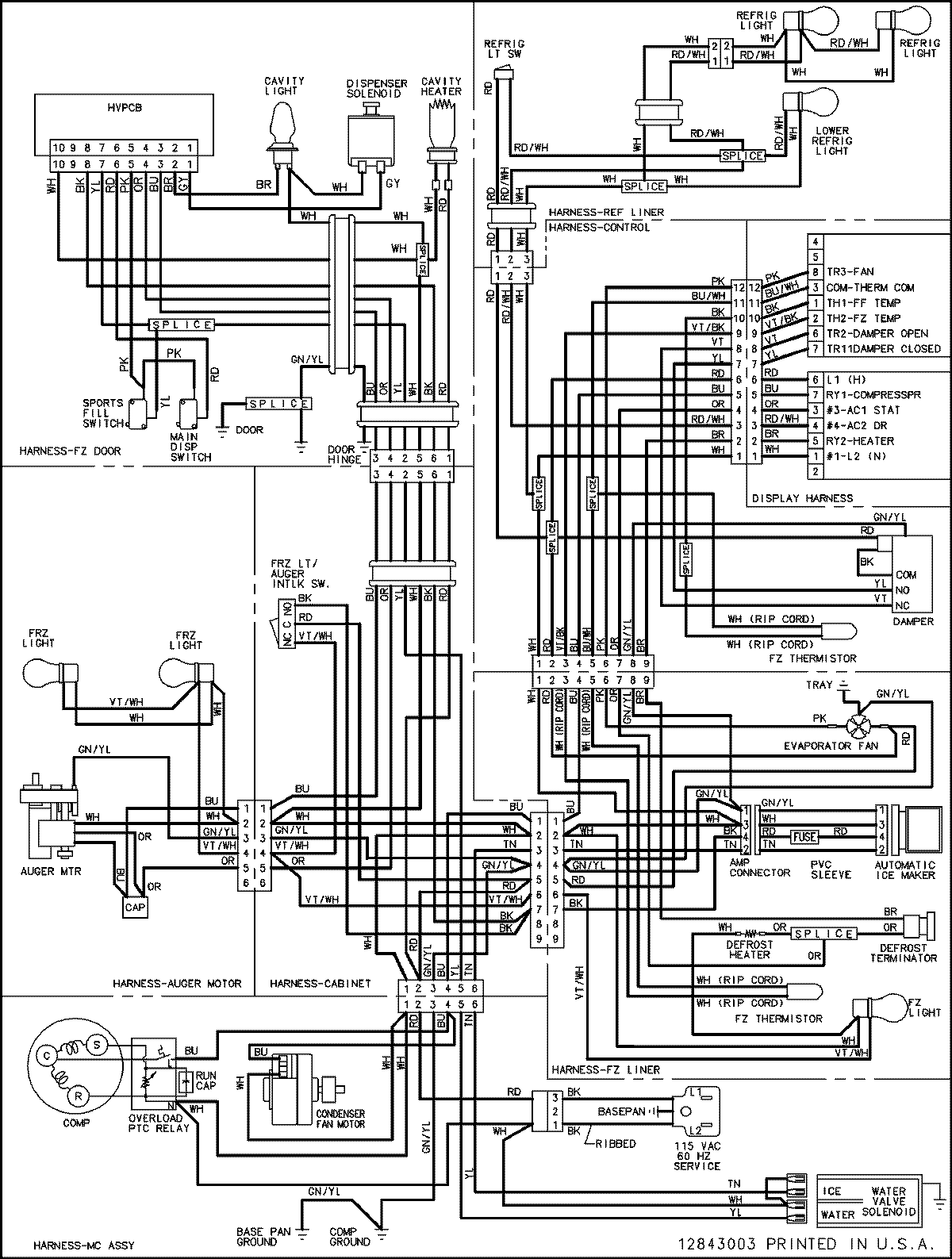
ASD2328HEW 18 – WIRING INFORMATIONadmin2025-04-26T08:55:56+00:00ASD2328HEW 18 – WIRING INFORMATION ProductsPositionProductNIMAY 15003676