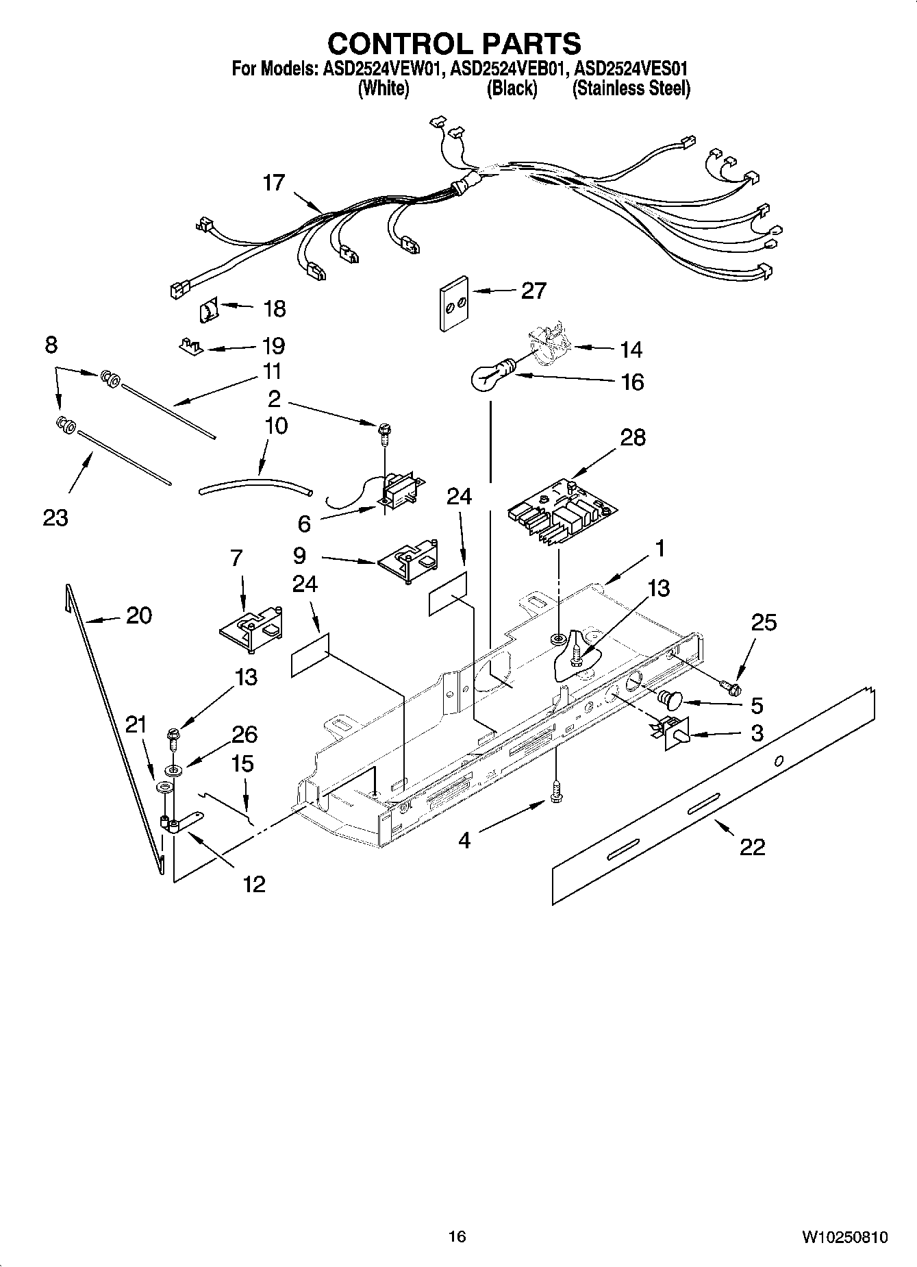
ASD2524VEB01 10 – CONTROL PARTSadmin2025-04-26T08:55:56+00:00ASD2524VEB01 10 – CONTROL PARTS ProductsPositionProduct1MAY 21817382Screw (2)3MAY 21497054Screw5MAY 9400146Thermostat7MAY 21817418Grommet, Light Bar (4)9MAY 216146610TUBE-BARRIER, THERMOSTAT11MAY 217992012Pivot Arm13MAY 62706814Socket, Light15CONNECTING ROD, SHORT16MAY 52794917MAY 218786818MAY 111537419Clip-Wiring20Connecting Rod21Fastner, Push-On22MAY W1017642423LIGHT BAR FC24MAY 217551325MAY W1014164526Spring Washer27MAY 217293128Control Board Assembly