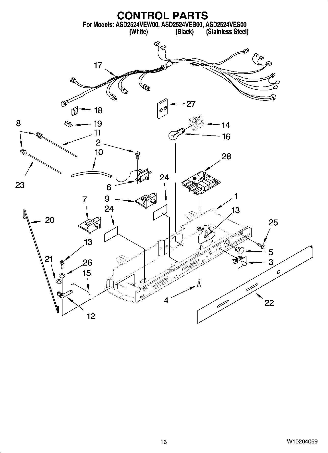
ASD2524VES00 10 – CONTROL PARTS