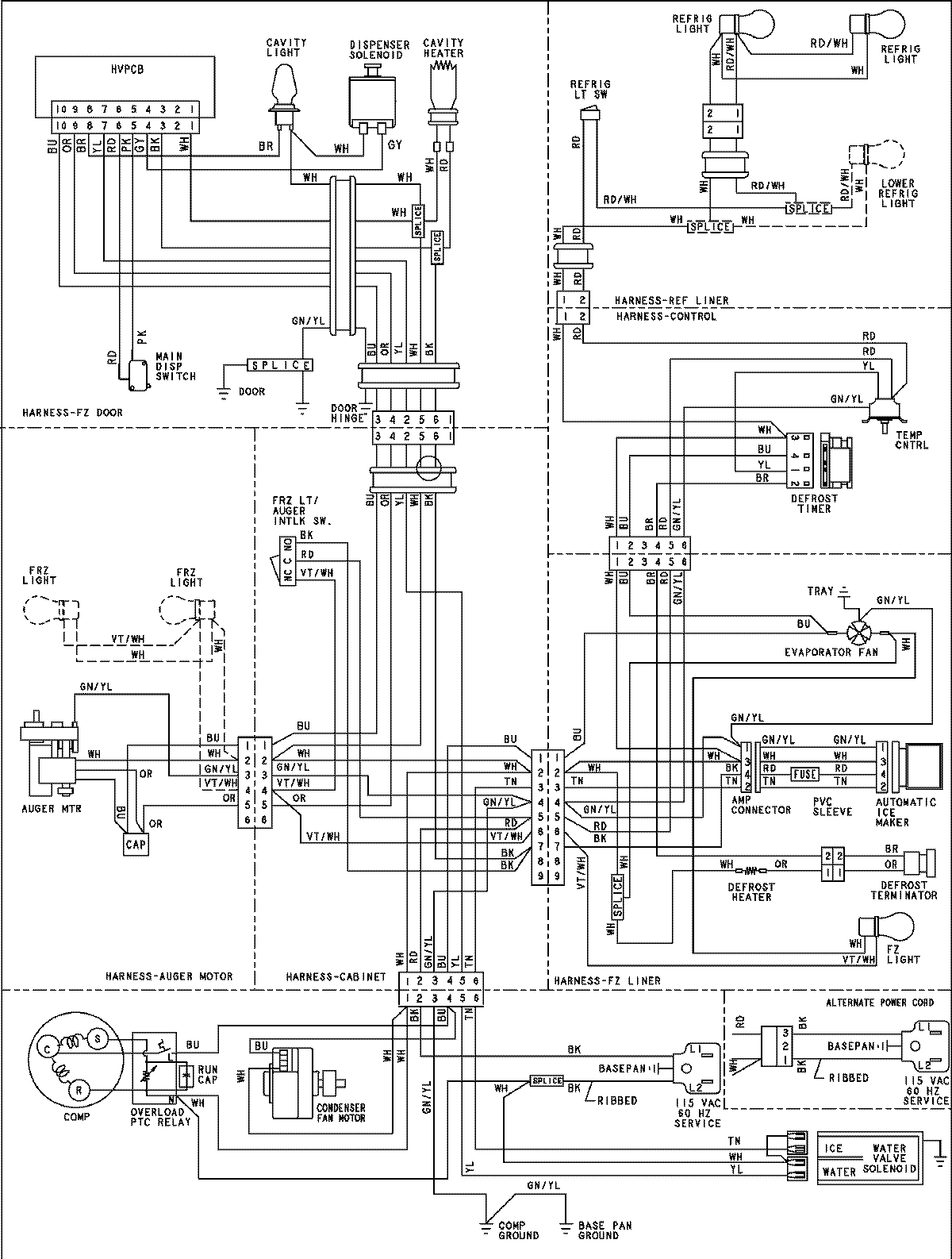
ASD2621KRB 18 – WIRING INFORMATIONadmin2025-04-26T08:55:55+00:00ASD2621KRB 18 – WIRING INFORMATION ProductsPositionProductNIMAY 15003968