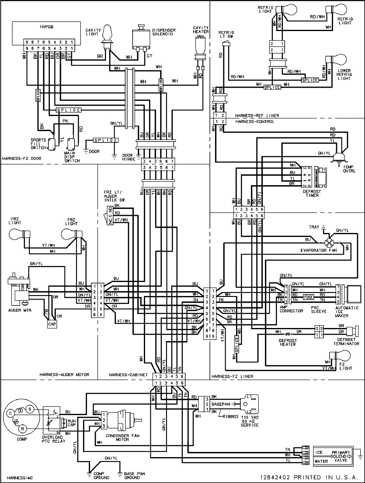
ASD2622HRQ 35 – WIRING INFORMATIONadmin2025-04-26T08:56:19+00:00ASD2622HRQ 35 – WIRING INFORMATION ProductsPositionProductNIMAY 15003531