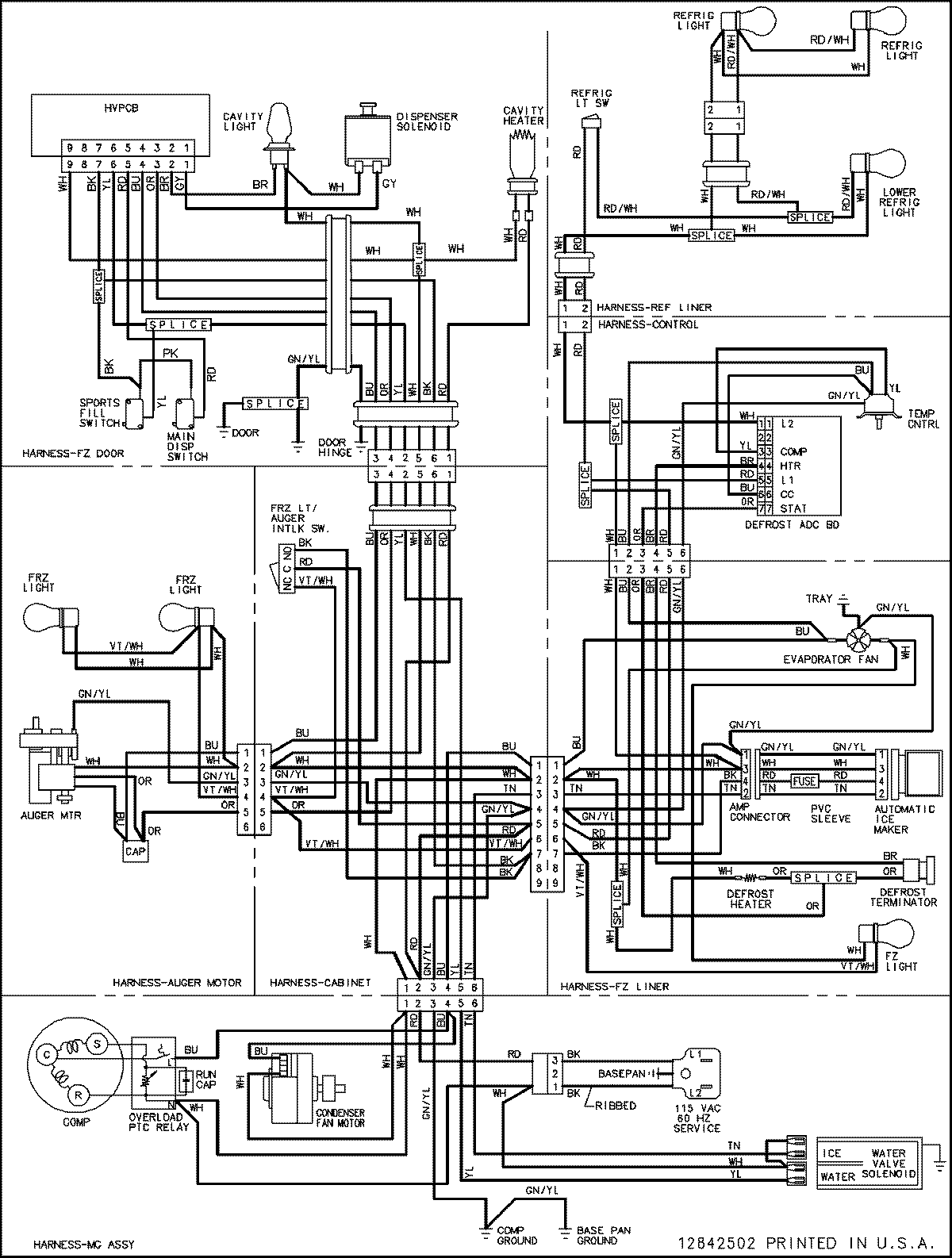
ASD2624HEB 37 – WIRING INFORMATIONadmin2025-04-26T08:56:10+00:00ASD2624HEB 37 – WIRING INFORMATION ProductsPositionProductNIMAY 15003535