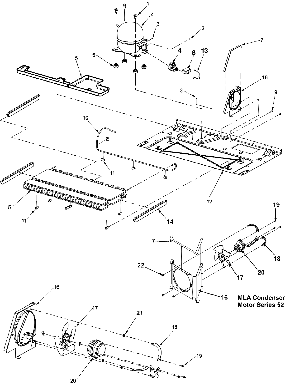
ASD2624HEQ 04 – COMPRESSOR SERIES 50+admin2025-04-26T08:56:12+00:00ASD2624HEQ 04 – COMPRESSOR SERIES 50+ ProductsPositionProductNIMAY 670043241MAY M02215232MAY 670030842W10160407 Whirlpool Refrigerator Compressor3MAY M02316044W10613606 Whirlpool Refrigerator Start Device Relay Overload5MAY 67004848667003493 Whirlpool Refrigerator Compressor Grommet7WP854334 Whirlpool Air Conditioner Sealing Strip8CAPACITOR10MAY 670047001167005680 Whirlpool Refrigerator Condenser Grommet12MAY 6700151212MAY 6700534313MAY 1257680115MAY 6700223515WP67006131 Whirlpool Refrigerator Condenser16SHROUD, CONDENSER FAN17WP12587601 Whirlpool Refrigerator Condenser Blade17W10156818 Whirlpool Refrigerator Fan Blade18MAY 6700495318MAY 6700364419MAY M023861620MAY 1262870120MAY 6700443221WP486692 Whirlpool Refrigerator Nut22GROMMET, BRACKET2367004955 Whirlpool Refrigerator MC Harness