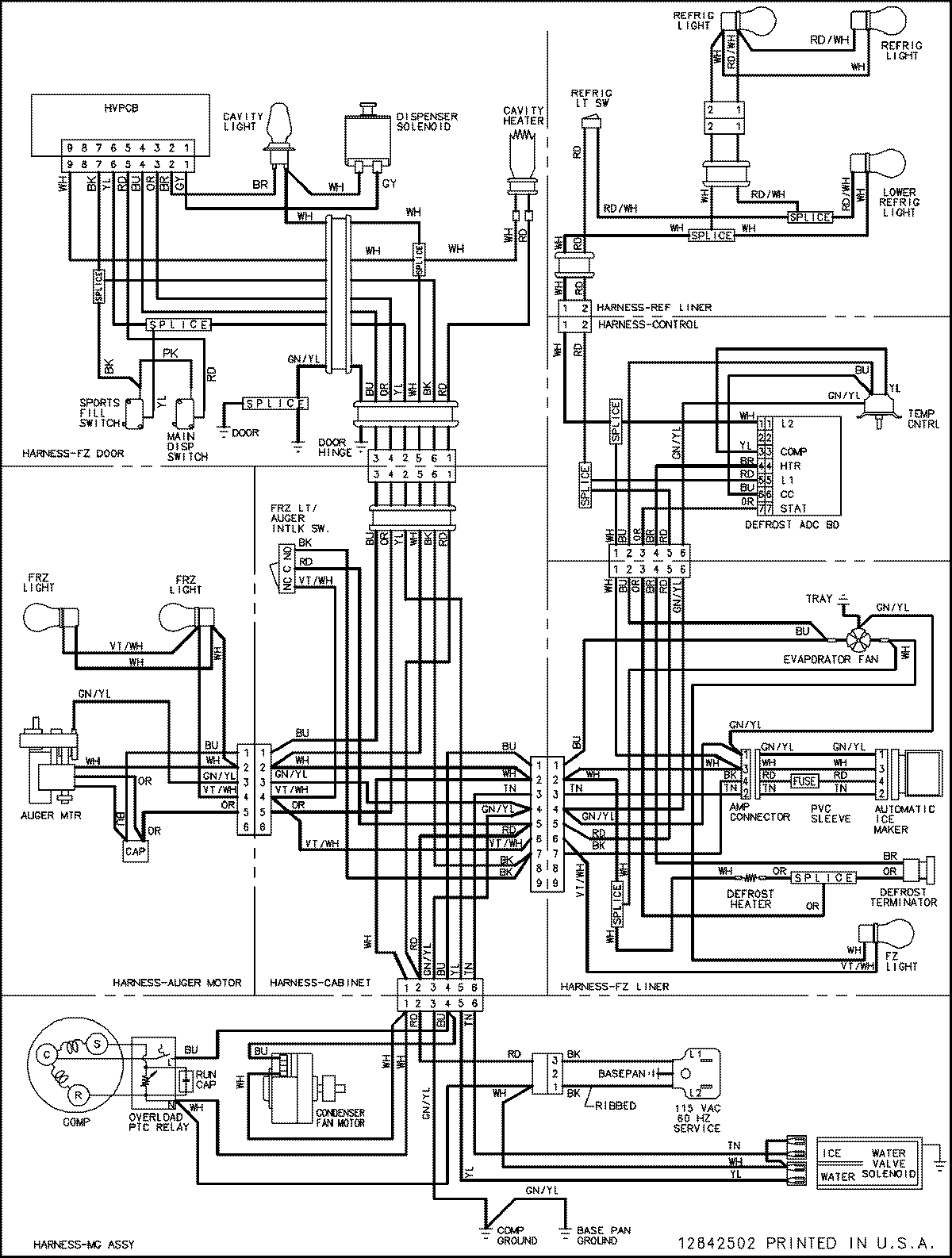
ASD2624HEQ 37 – WIRING INFORMATIONadmin2025-04-26T08:55:59+00:00ASD2624HEQ 37 – WIRING INFORMATION ProductsPositionProductNIMAY 15003535