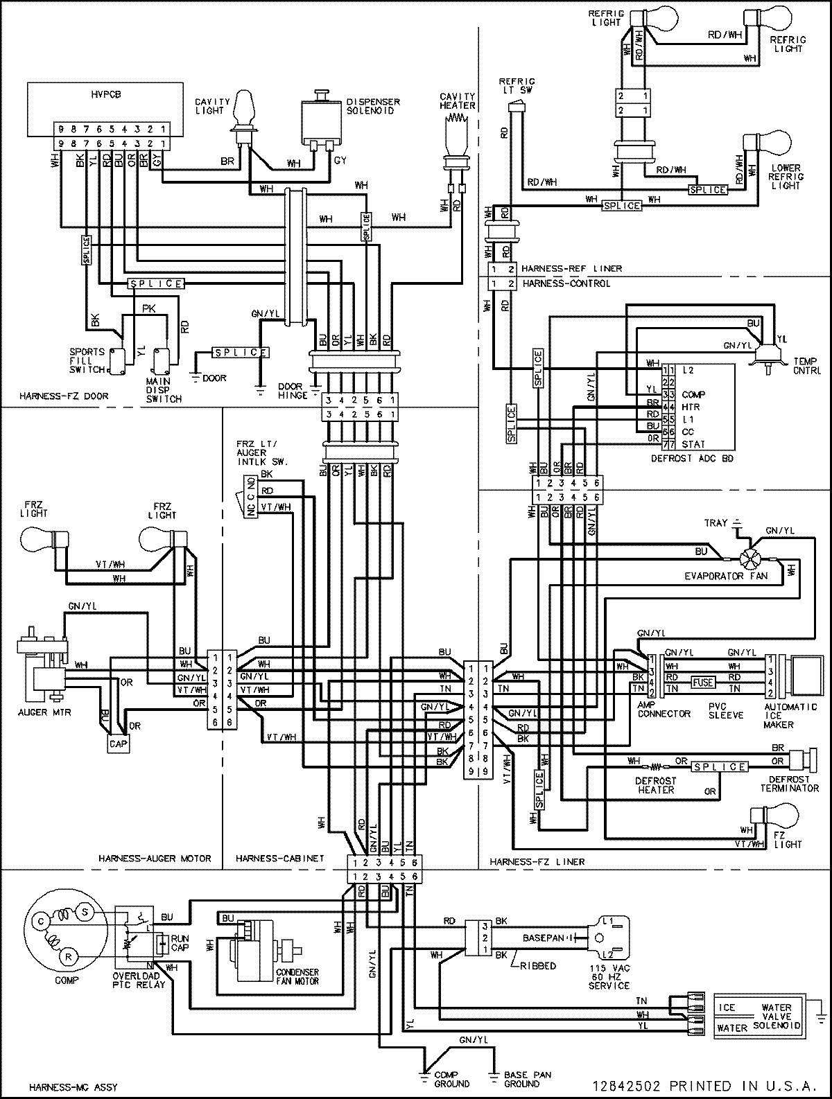
ASD2624HEW 37 – WIRING INFORMATIONadmin2025-04-26T08:55:56+00:00ASD2624HEW 37 – WIRING INFORMATION ProductsPositionProductNIMAY 15003535