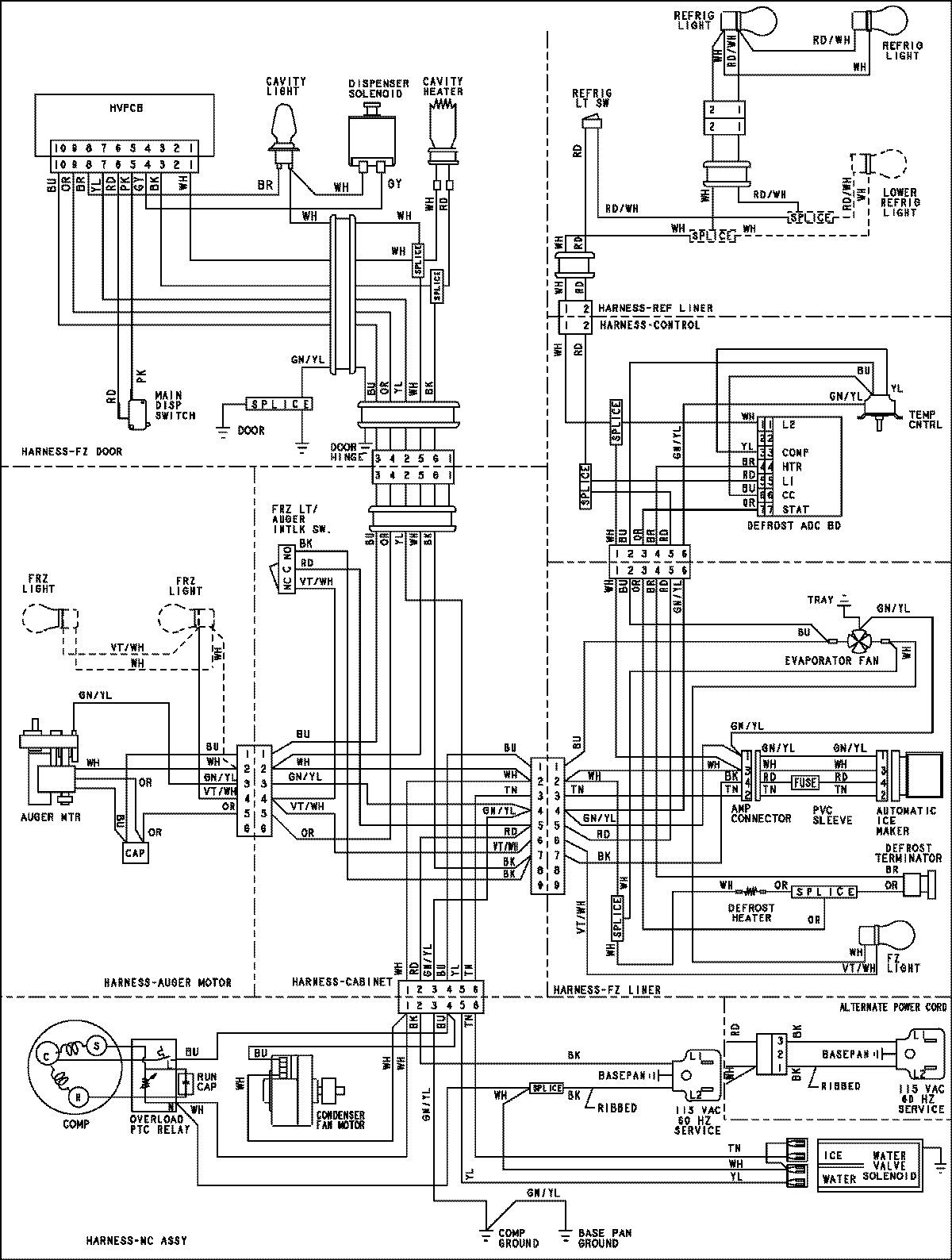
ASD2625KEB 18 – WIRING INFORMATIONadmin2025-04-26T08:55:49+00:00ASD2625KEB 18 – WIRING INFORMATION ProductsPositionProductNIMAY 15003928