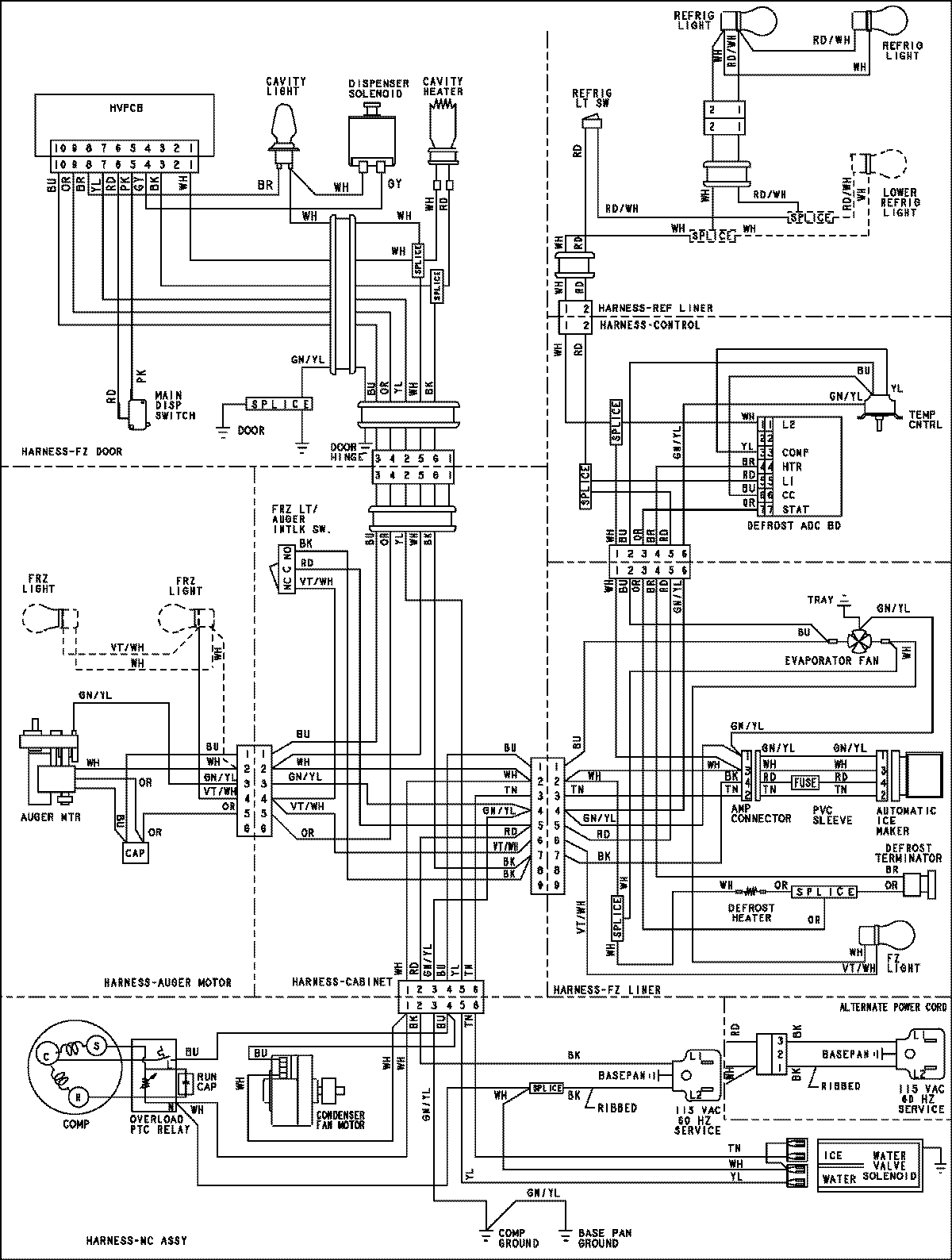
ASD2625KEQ 18 – WIRING INFORMATIONadmin2025-04-26T08:55:58+00:00ASD2625KEQ 18 – WIRING INFORMATION ProductsPositionProductNIMAY 15003928