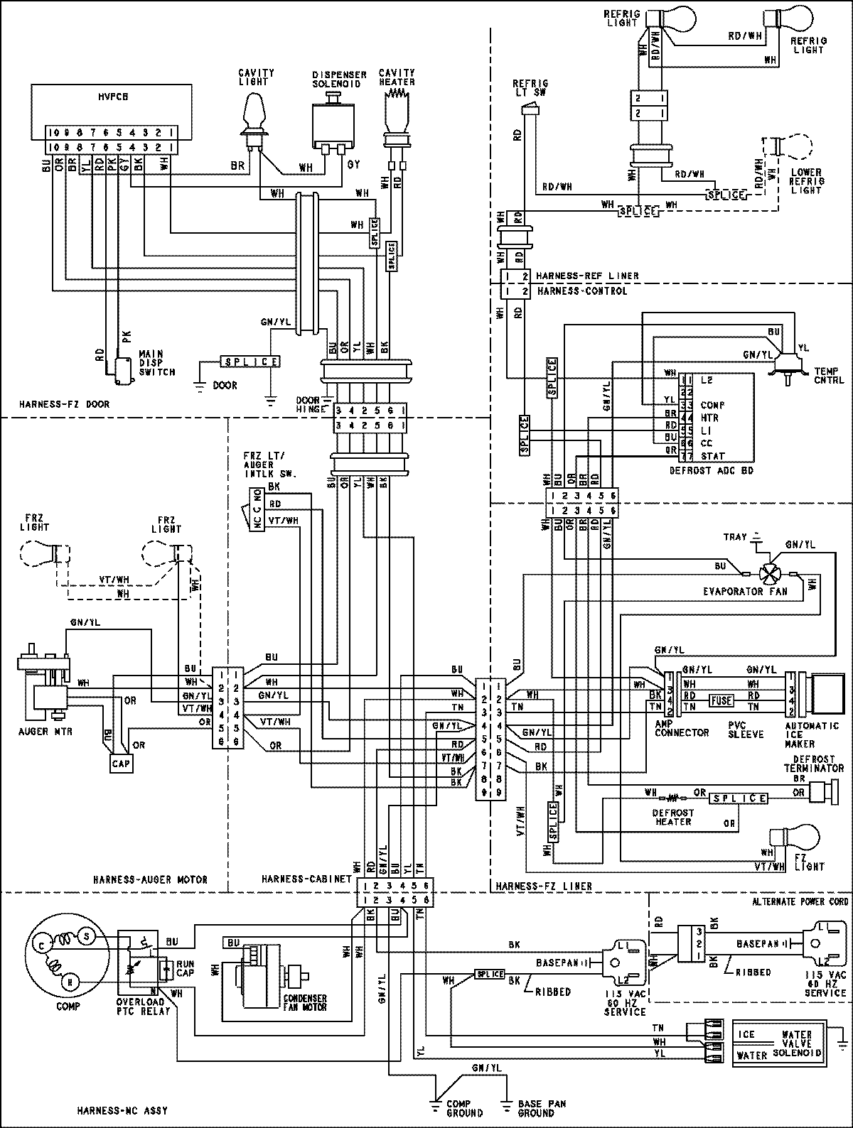
ASD2625KEW 18 – WIRING INFORMATIONadmin2025-04-26T08:56:01+00:00ASD2625KEW 18 – WIRING INFORMATION ProductsPositionProductNIMAY 15003928