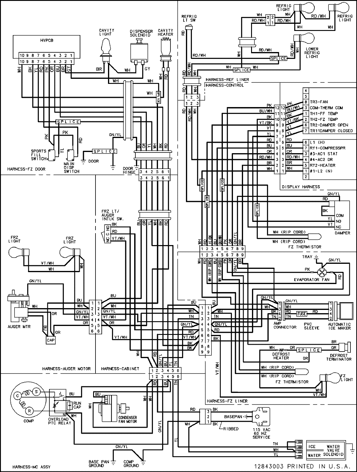
ASD2626HEB 35 – WIRING INFORMATION

ASD2626HEB 35 – WIRING INFORMATION

Products

PositionProduct
NIMAY 15003543