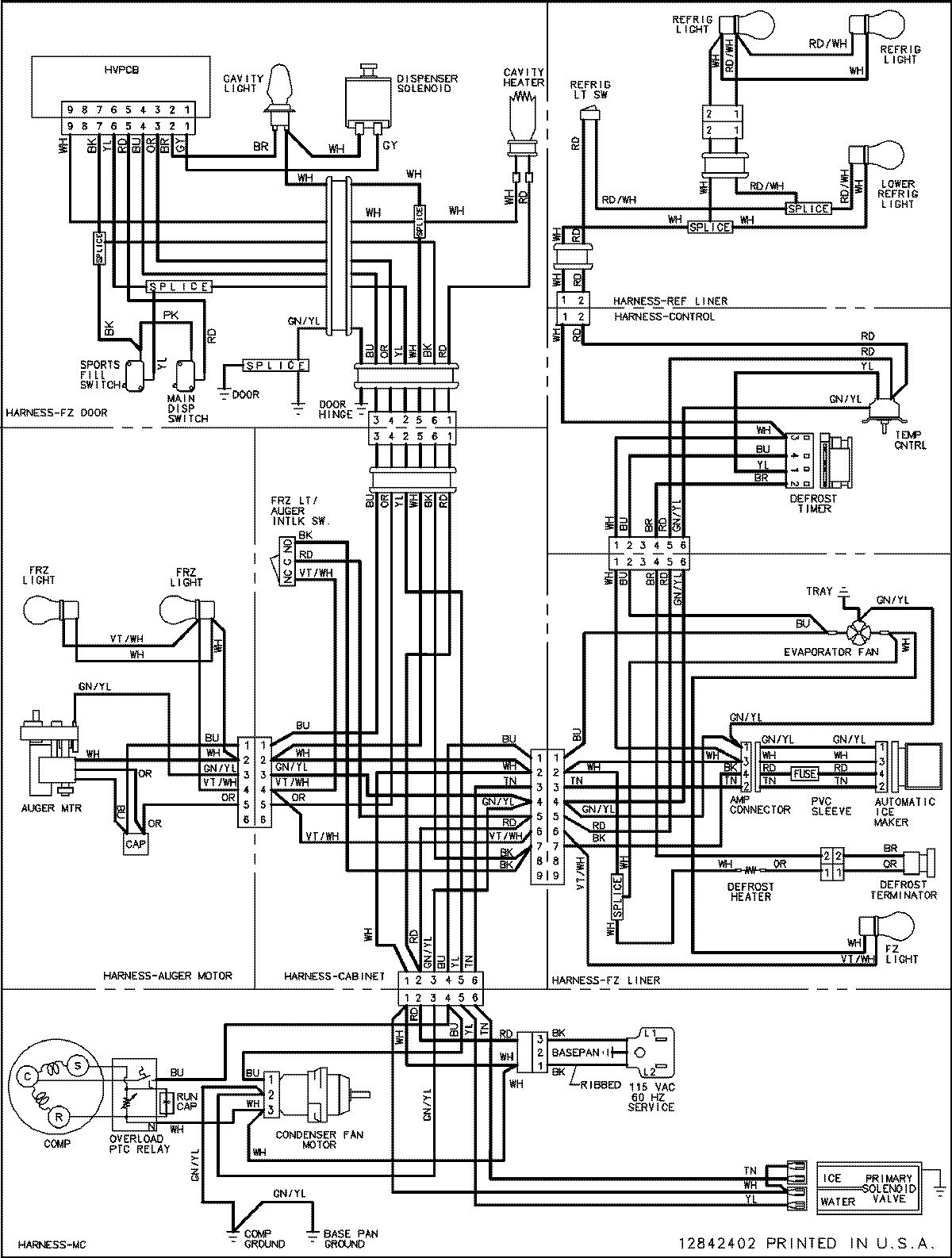
ASD262RHRQ 35 – WIRING INFORMATIONadmin2025-04-26T08:55:48+00:00ASD262RHRQ 35 – WIRING INFORMATION ProductsPositionProductNIMAY 15003531