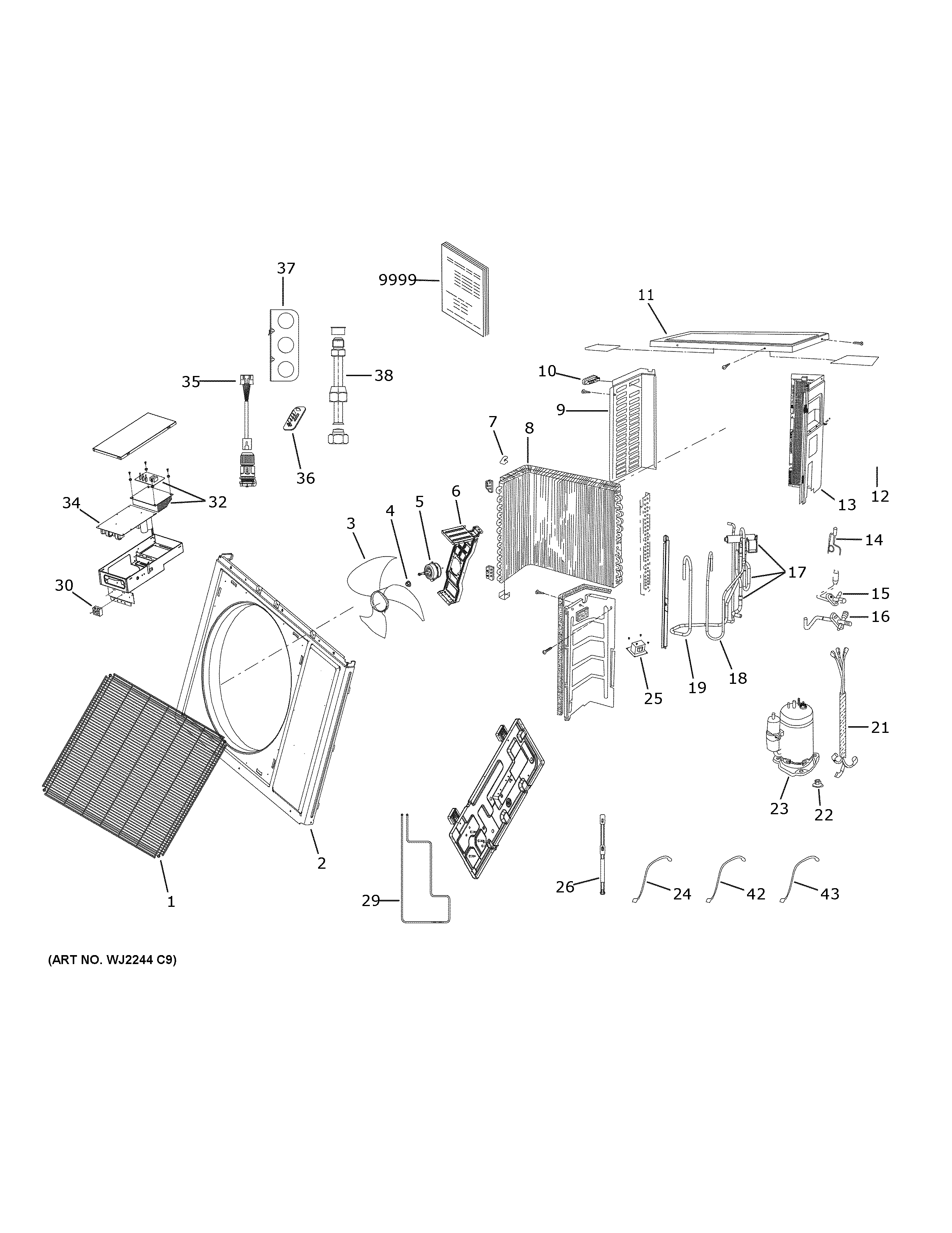
ASH118URDSD1 ROOM AIR CONDITIONERadmin2025-04-26T08:53:20+00:00ASH118URDSD1 ROOM AIR CONDITIONER ProductsPositionProduct1GRILLE2WJ76X26484 GE Casing3FAN BLADE4WJ01X22974 GE Flange Nut5OUTDOOR FAN MOTOR6WJ65X23015 GE Outdoor Fan Motor Bracket7WJ01X23219 GE Sensor Clip8WJ88X26444 GE Condenser9WJ71X26485 GE Left Side Panel10WJ01X26475 GE Handle11WJ76X26486 GE Top Cover12VALVE COVER13WJ71X26487 GE Right Side Panel14EEV VALVE15WJ53X24973 GE Liquid Service Valve16WJ53X24975 GE Vapor Service Valve174-WAY VALVE TUBE ASSEMBLY18WJ53X25636 GE Discharge Tube19WJ53X23020 GE Suction Tube21WJ35X26440 GE Outdoor Wire Harness22WJ01X26442 GE Compressor Nut23WJ98X23021 GE Compressor24WJ26X23009 GE Suction Sensor25WJ27X23006 GE Reactor26COMPRESSOR HEATER29WJ27X23172 GE Heater Pan30WJ27X26435 GE Terminal Block32WJ26X26479 GE Inverter Assembly34WJ26X28295 GE Power Control Board35RJ4536WJ76X27114 GE Cover37WJ65X27113 GE Bracket Strain Relief38WJ01X27116 GE 1/2" X 3/8" Adapter42WJ26X22984 GE Sensor Assembly Amb/Dis/Coil43WJ26X23334 GE Sensor Pipe9999PM INSTALL INSTRUCTIONS