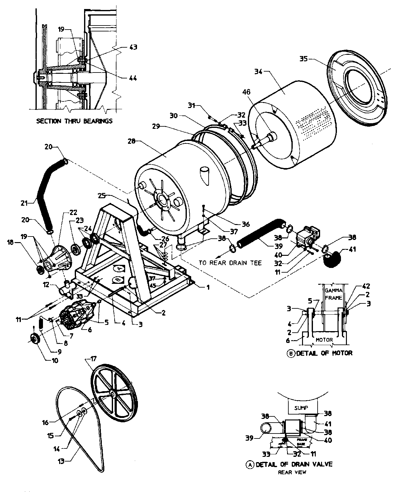
AT18MC1 09 – MAIN EXPLODED VIEW (SUB ASSEMBLY)admin2025-04-26T08:56:30+00:00AT18MC1 09 – MAIN EXPLODED VIEW (SUB ASSEMBLY) ProductsPositionProductNIMAY 24001258001MAY 24001371001MAY 24001369002MAY 24001511003MAY 24001512004MAY 24001802004MAY 24001647005MAY 24001021006MAY 24001078006MAY 24001083006MAY 24001082006MAY 24001079007MAY 24001648008MAY 24001651009MAY 24001650010MAY 24001086011MAY 24001502012MAY 24001826013MAY 24001095013MAY 24001093014MAY 24001501015MAY Y24001500016MAY 24001499017PULLEY, BASKET017NOT REQUIRED PART OR SEE NOTE FUSE (NOT REQUIRED)018MAY 24002048018MAY 24001015019MAY 24001563019MAY 24001495020MAY 24001283021MAY 24001662021MAY 24001506023MAY 24001016023MAY 24001014024MAY 24001020024MAY 24001019025AIR TRAP026MAY 24001438027MAY 24001803028MAY 24001377028MAY 24001375028MAY 24001836029MAY 24001184030MAY 24001388030MAY 24001389033MAY 24001215034MAY 24001266034MAY 24001804035MAY 24001385035MAY 24001384036MAY 24001657037MAY 24001516038MAY 24001353039MAY 24001564039MAY 24001660040MAY 24001116041MAY 24001565042MAY 24001805043MAY 24001807043MAY 24001659043MAY 24001497044MAY 24001810044MAY 24001808044MAY 24001809045MAY 24001260045MAY 24001515046MAY 24001130046MAY 24001271