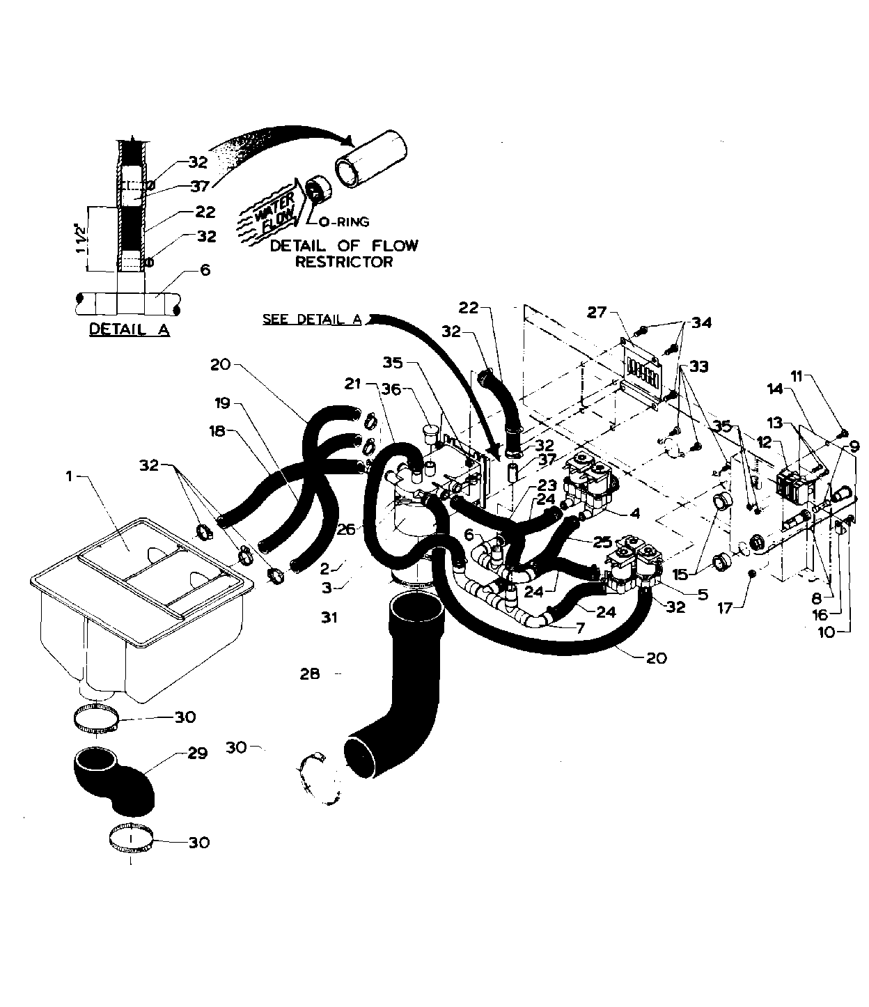
AT18MN2 07 – SOAP DISPENSER (AT18)admin2025-04-26T08:56:31+00:00AT18MN2 07 – SOAP DISPENSER (AT18) ProductsPositionProduct001DISPENSER, SUPPLY (COIN)002MAY 24001031003MAY 24001032004VALVE (2WAY 110-127V/50-60HZ)005VALVE (3WAY 110-127V/50-60HZ)006MAY 24001765007MAY 24001766008MAY 24001433009MAY 24001225011MAY 24001301012MAY 24001366012BLOCK, INPUT POWER (3 WIRE)013MAY 24001430014COVER, JUNCTION BOX015MAY 24001436016MAY 24001434017MAY 24001342018MAY 24001767019MAY 24001768020MAY 24001769021MAY 24001770022MAY 24001771023MAY 24001772024MAY 24001773025DOWEL PIN FOR HANDLE026MAY 24001432027MAY 24001426028MAY 24001552029MAY 24001442030MAY 24001353031MAY 24001282032MAY 24001423033MAY 24001357034MAY 24001414035MAY 24001425036MAY 24001424037MAY 24001775