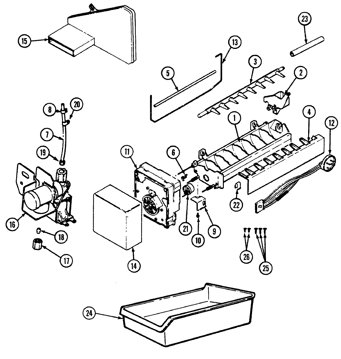
AT19M8A 05 – OPTIONAL ICE MAKER KIT