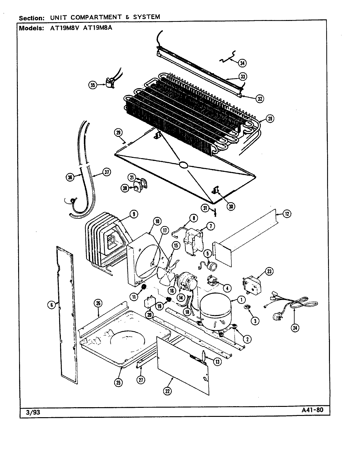
AT19M8A 07 – UNIT COMPARTMENT & SYSTEMadmin2025-04-26T08:56:02+00:00AT19M8A 07 – UNIT COMPARTMENT & SYSTEM ProductsPositionProductNIMAY 108340-11MAY RA10111MAY RA10322MAY 17245-43MAY 62165-13MAY 414011-14WP10097202 Whirlpool Refrigerator Start Device42154436 Whirlpool Refrigerator Start Relay5MAY 69105-1054388953 Whirlpool Overload Relay6MAY 60110-27MAY 69754-17MAY 66589-28MAY 59596-19MAY 60408-19MAY RA43871-110MAY 66228-111MAY 53351-112MAY 66493-213MAY 1390014MAY 67560-114MAY 65275-3315WP12587601 Whirlpool Refrigerator Condenser Blade16MAY 19913-417MAY 19914-018MAY 66225-119MAY 56933-120WP65889-4 Whirlpool Refrigerator Capacitor20WP2262343 Whirlpool Refrigerator/Freezer Capacitor21MAY 60069-122WP488729 Whirlpool Refrigerator Door Screw22MAY 66338-223WP68233-2 Whirlpool Refrigerator Defrost Timer23MAY 405007-124MAY 52890-226MAY 60555-127WP489478 Whirlpool Refrigerator Screw27MAY 60555-228MAY 69822-729MAY 69118-230MAY 60108-231MAY 26397-932WP60106-35 Whirlpool Defrost Heater Assembly33MAY 60109-534MAY 68825-135MAY 52085-3336MAY 65013-436MAY 65013-2237MAY 65398-137MAY 66223-138MAY 60068-138MAY 70162-138MAY 60177-2