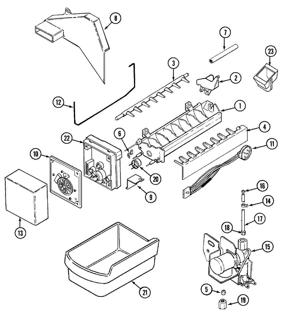
AT19N8E 03 – OPTIONAL ICE MAKER KIT-RAEA300AAXadmin2025-04-26T08:56:39+00:00AT19N8E 03 – OPTIONAL ICE MAKER KIT-RAEA300AAX ProductsPositionProduct1WP99003172 Whirlpool Silicone L1D7824706Q Whirlpool Refrigerator Ice Maker Assembly2WP628356 Whirlpool Refrigerator Fill Cup3WP627843 Whirlpool Refrigerator Ejector Arm4WP2182124 Whirlpool Refrigerator Stripper Arm5WP487627 Whirlpool Refrigerator Sleeve6WP2315522 Whirlpool Refrigerator Clip7MAY 67877-17MAY 67666-88MAY 70198-18MAY 70198-28MAY 70198-39MAY 95108-19BRACKET, MODULE & HEATER10MAY 400021-110MAY 95109-111MAY 70076-112MAY 68112-113MAY 6100123914SCREW14MAY 23197-815MAY 6100101915MAY 401017-116WPM0114003 Whirlpool Microwave Speed Clip Clamp17MAY 67579-618WP627018 Whirlpool Refrigerator Nut19WP245183 Whirlpool Nut20MAY 95093-120WP627985 Whirlpool Icemaker Cycling Thermostat21WP67001255 Whirlpool Ice Bucket22WP2195914 Whirlpool Refrigerator Ice Maker Housing22SCREW23MAY 61001305