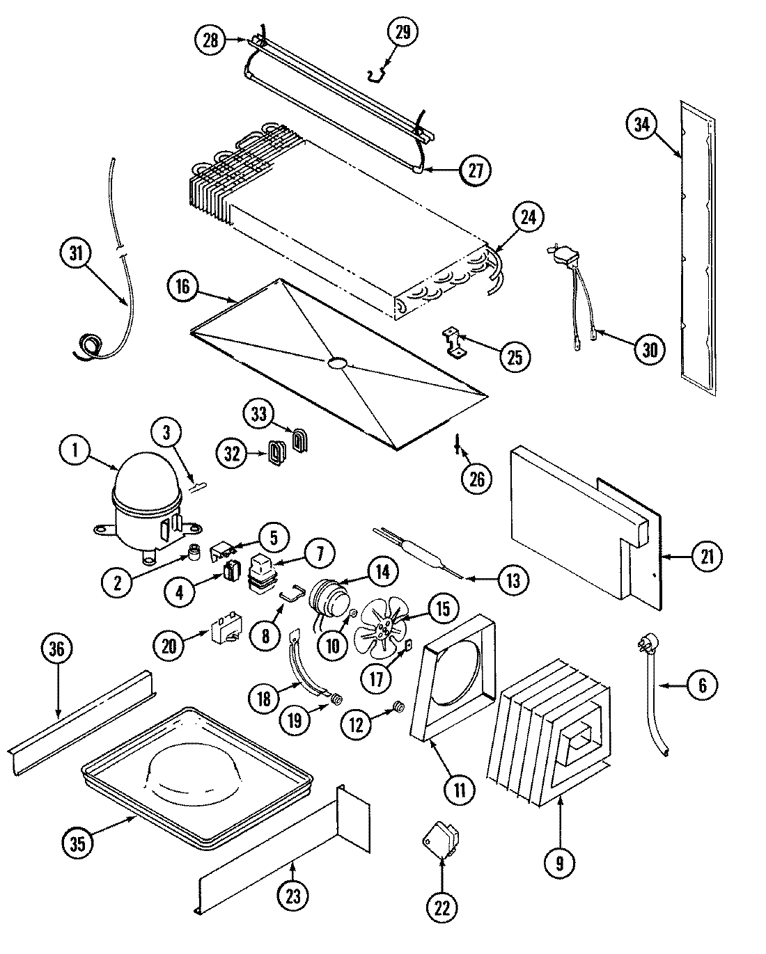
AT19N8E 05 – UNIT COMPARTMENT & SYSTEMadmin2025-04-26T08:56:33+00:00AT19N8E 05 – UNIT COMPARTMENT & SYSTEM ProductsPositionProductNIMAY 16002079NIMAY 108340-31MAY 52656-21MAY RA10321MAY RA1011-12MAY 17245-43MAY 62165-13MAY 52778-24WP10097202 Whirlpool Refrigerator Start Device42154436 Whirlpool Refrigerator Start Relay5MAY 69105-1054388953 Whirlpool Overload Relay6MAY 52890-37MAY 69754-17MAY 66589-28MAY 65886-18MAY 59596-19MAY 414001-19MAY 60434-39MAY 60408-210MAY 6100168611MAY 66228-112MAY 53351-113WPW10143759 Whirlpool Dryer Filter14MAY 68445-114MAY 6100101614MAY 65275-3315WP12587601 Whirlpool Refrigerator Condenser Blade16MAY 69118-217WP486692 Whirlpool Refrigerator Nut18MAY 69181-119MAY 56933-120WP65889-4 Whirlpool Refrigerator Capacitor20WP2262343 Whirlpool Refrigerator/Freezer Capacitor21MAY 66338-421WP488729 Whirlpool Refrigerator Door Screw22MAY 405007-122WP68233-2 Whirlpool Refrigerator Defrost Timer23MAY 66493-124MAY 69822-725MAY 60108-226MAY 26397-927WP60106-35 Whirlpool Defrost Heater Assembly28MAY 60109-529MAY 68935-130MAY 52085-3331MAY 65013-2231MAY 68186-131MAY 65013-2632MAY 60068-133MAY 60069-134MAY 60177-434MAY 65275-5034MAY 6100156034MAY 60110-234MAY 70162-136MAY 60555-236MAY 60555-136WP489478 Whirlpool Refrigerator Screw