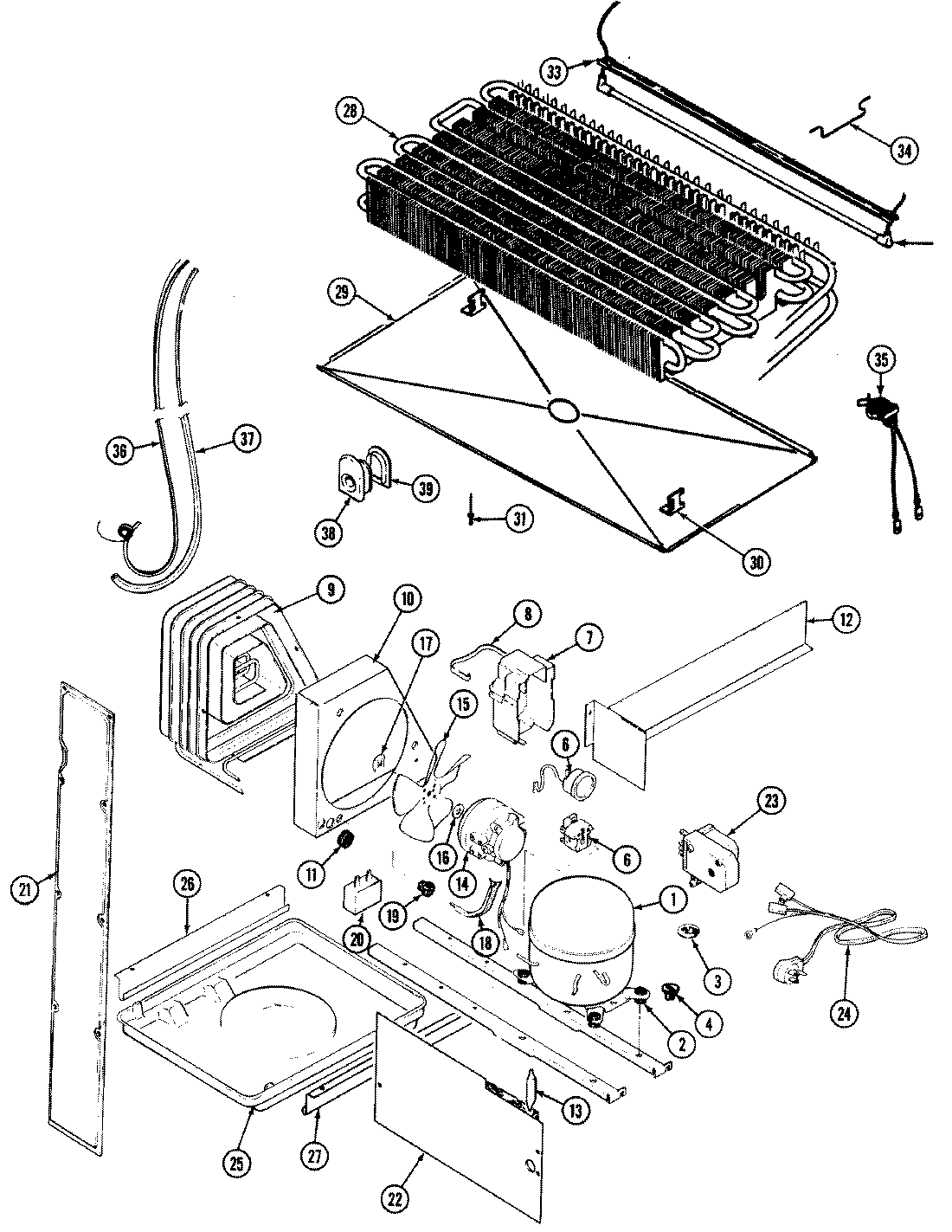
AT21M8FA 07 – UNIT COMPARTMENT & SYSTEMadmin2025-04-26T08:56:11+00:00AT21M8FA 07 – UNIT COMPARTMENT & SYSTEM ProductsPositionProductni2154436 Whirlpool Refrigerator Start Relay1MAY 120000542MAY 17245-43MAY 52778-24MAY 52656-26MAY 69105-47MAY 66589-28MAY 65886-19MAY 60408-29MAY RA43871-110MAY 66228-111MAY 414001-111MAY 53351-112MAY 66493-213MAY 1390014MAY 65275-3314MAY 68445-315WP12587601 Whirlpool Refrigerator Condenser Blade16MAY 19913-417WP486692 Whirlpool Refrigerator Nut18MAY 56936-119MAY 56933-120WPW10662129 Whirlpool Refrigerator Run Capacitor21MAY 60110-222WP488729 Whirlpool Refrigerator Door Screw22MAY 66338-223WP68233-2 Whirlpool Refrigerator Defrost Timer23MAY 405007-124MAY 52890-226MAY 60555-127MAY 60555-228MAY 69822-729MAY 69118-230MAY 60108-231MAY 26397-932WP60106-35 Whirlpool Defrost Heater Assembly33MAY 60109-534MAY 68935-135MAY 52085-3336MAY 65013-437MAY 66223-137MAY 65398-138MAY 60068-139MAY 70162-239MAY 108340-139MAY 60177-239WP489478 Whirlpool Refrigerator Screw39MAY 60069-1