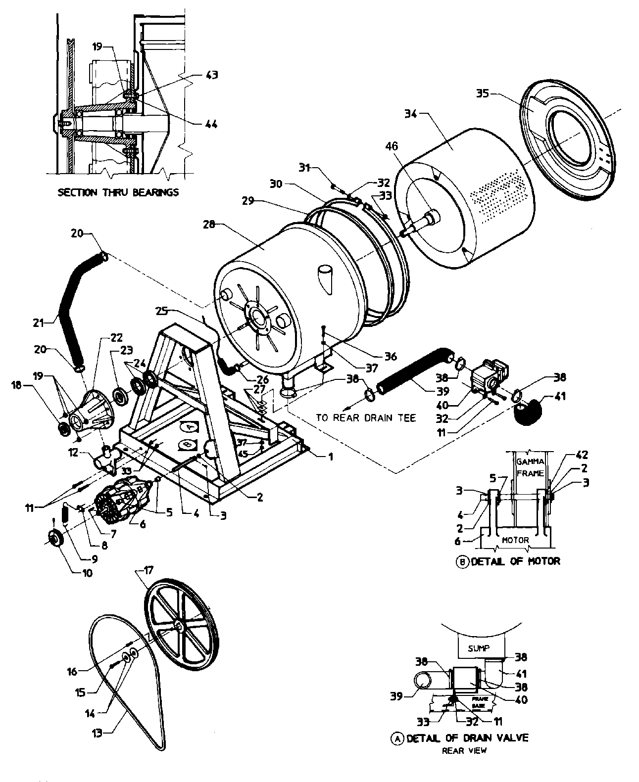
AT35MC2 09 – MAIN EXPLODED VIEW-SUB ASSEMBLY