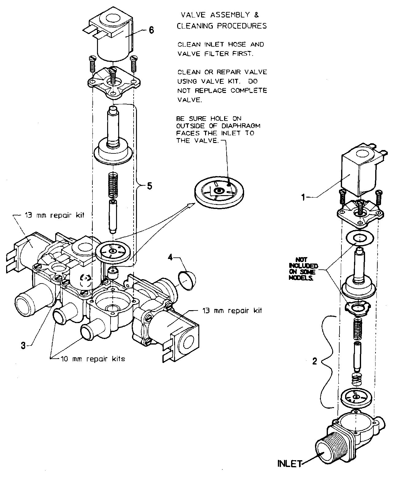
AT50PC2 08 – WATER VALVE
Products
| Position | Product |
|---|---|
| 001 | MAY 24001119 |
| 002 | MAY 24001448 |
| 002 | MAY 24001549 |
| 003 | MAY 24001226 |
| 004 | MAY 24001634 |
| 005 | KIT, REPAIR (13MM) |
| 005 | KIT, DIAPHRAM (SHORT) |
| 006 | MAY 24001232 |
AT50PC2 08 – WATER VALVE
| Position | Product |
|---|---|
| 001 | MAY 24001119 |
| 002 | MAY 24001448 |
| 002 | MAY 24001549 |
| 003 | MAY 24001226 |
| 004 | MAY 24001634 |
| 005 | KIT, REPAIR (13MM) |
| 005 | KIT, DIAPHRAM (SHORT) |
| 006 | MAY 24001232 |