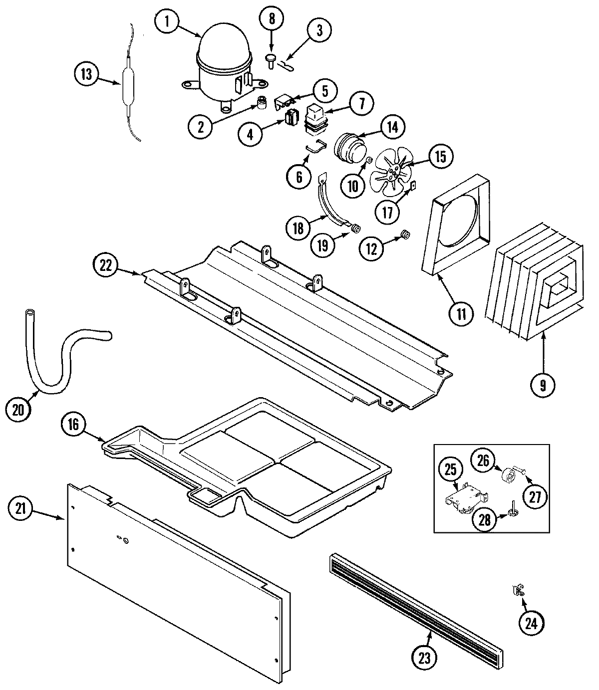
ATB1710DRQ 01 – COMPRESSOR (BISQUE)admin2025-04-26T08:56:35+00:00ATB1710DRQ 01 – COMPRESSOR (BISQUE) ProductsPositionProductNIMAY 61003420NIMAY 16002079NIMAY 160082481MAY 120013741MAY 610020122MAY 17245-43MAY 610030994WP10097204 Whirlpool Start Relay5WP2183456 Whirlpool Refrigerator Overload6MAY 65886-17MAY 66589-18MAY 52656-29MAY 610028119MAY 6100437810MAY 6100168611MAY 6100194112MAY 6100203313WPW10143759 Whirlpool Dryer Filter14MAY 6100101614MAY 65275-3315MAY 60683-116MAY 6100195516WP489478 Whirlpool Refrigerator Screw17WP486692 Whirlpool Refrigerator Nut18MAY 69181-119GROMMET, BRACKET20MAY 6100221421MAY 6100465321MAY 65275-521MAY 65275-122WP67006715 Whirlpool Refrigerator Screw22MAY 6100203223MAY 6100488524MAY 6100197525SCREW25MAY 6100197826WP61003826 Whirlpool Wheel27WP61002104 Whirlpool Refrigerator Pin Wheel28MAY 61002014