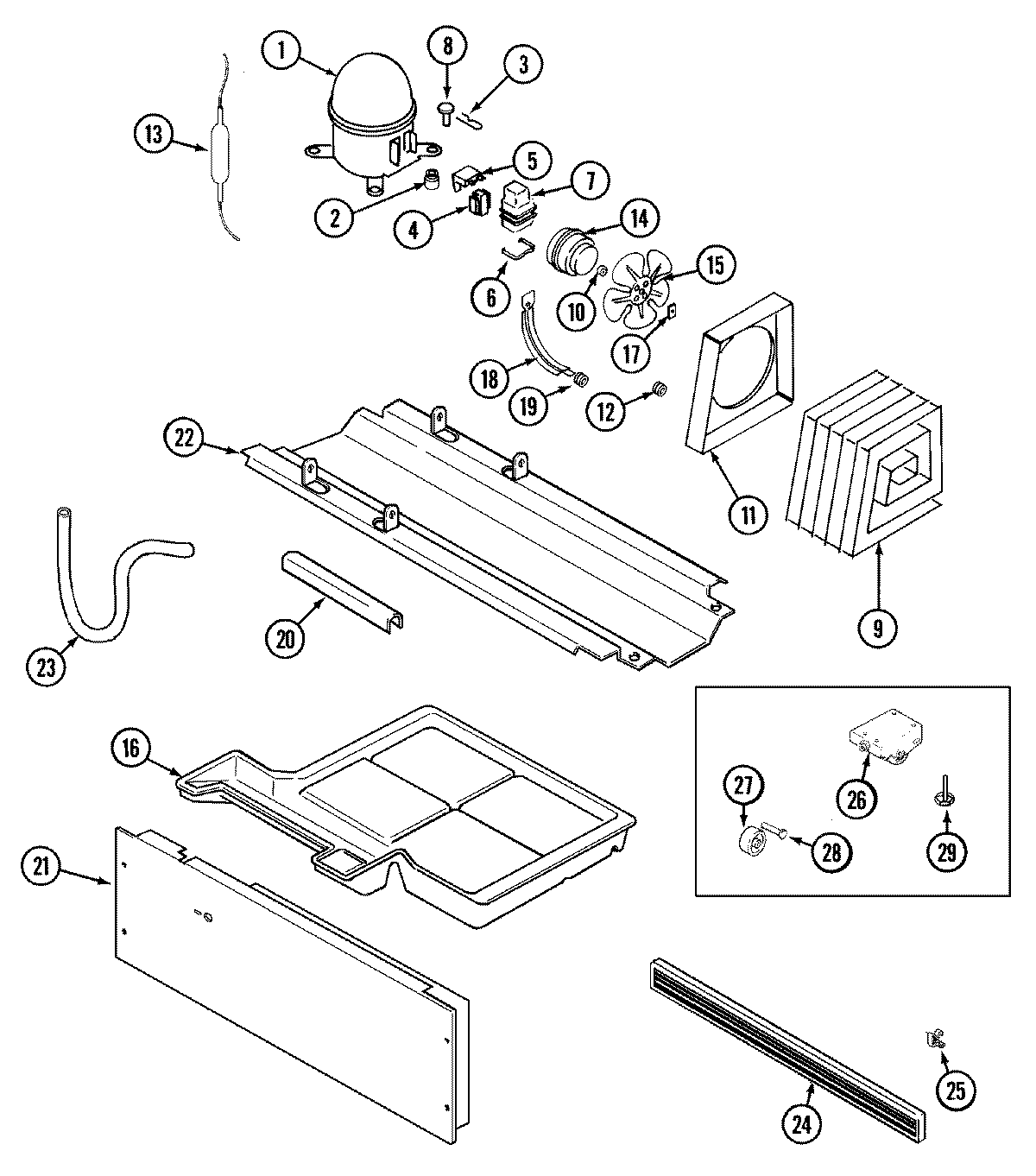
ATB1914ARW 01 – COMPRESSORadmin2025-04-26T08:56:30+00:00ATB1914ARW 01 – COMPRESSOR ProductsPositionProductNIMAY 61001981NIMAY 16002079NIMAY 160082481MAY 610020121MAY 120013742MAY 17245-43MAY 52778-24WP10097204 Whirlpool Start Relay5WP2183456 Whirlpool Refrigerator Overload6MAY 65886-17MAY 66589-28MAY 52656-29MAY 610019579WP489399 Whirlpool Refrigerator Screw10MAY 6100168611MAY 6100194112MAY 6100203313WPW10143759 Whirlpool Dryer Filter14MAY 65275-3314MAY 6100101615WP12587601 Whirlpool Refrigerator Condenser Blade16MAY 6100195516MAY 6100295817WP486692 Whirlpool Refrigerator Nut18MAY 69181-119MAY 56933-120MAY 6100197421MAY 6100227521MAY 65275-4922WP67006715 Whirlpool Refrigerator Screw22MAY 6100232723MAY 6100221424MAY 6100242725MAY 6100197526MAY 6100206626SCREW27MAY 6100210328WP61002104 Whirlpool Refrigerator Pin Wheel29MAY 61002014