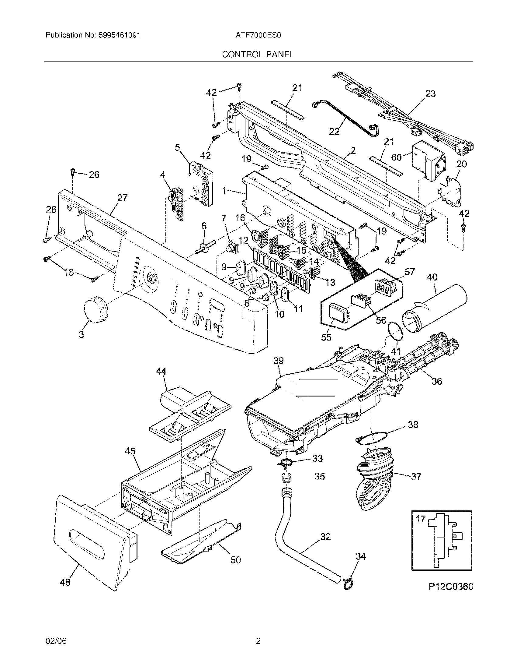
ATF7000ES0 03 – CONTROL PANEL