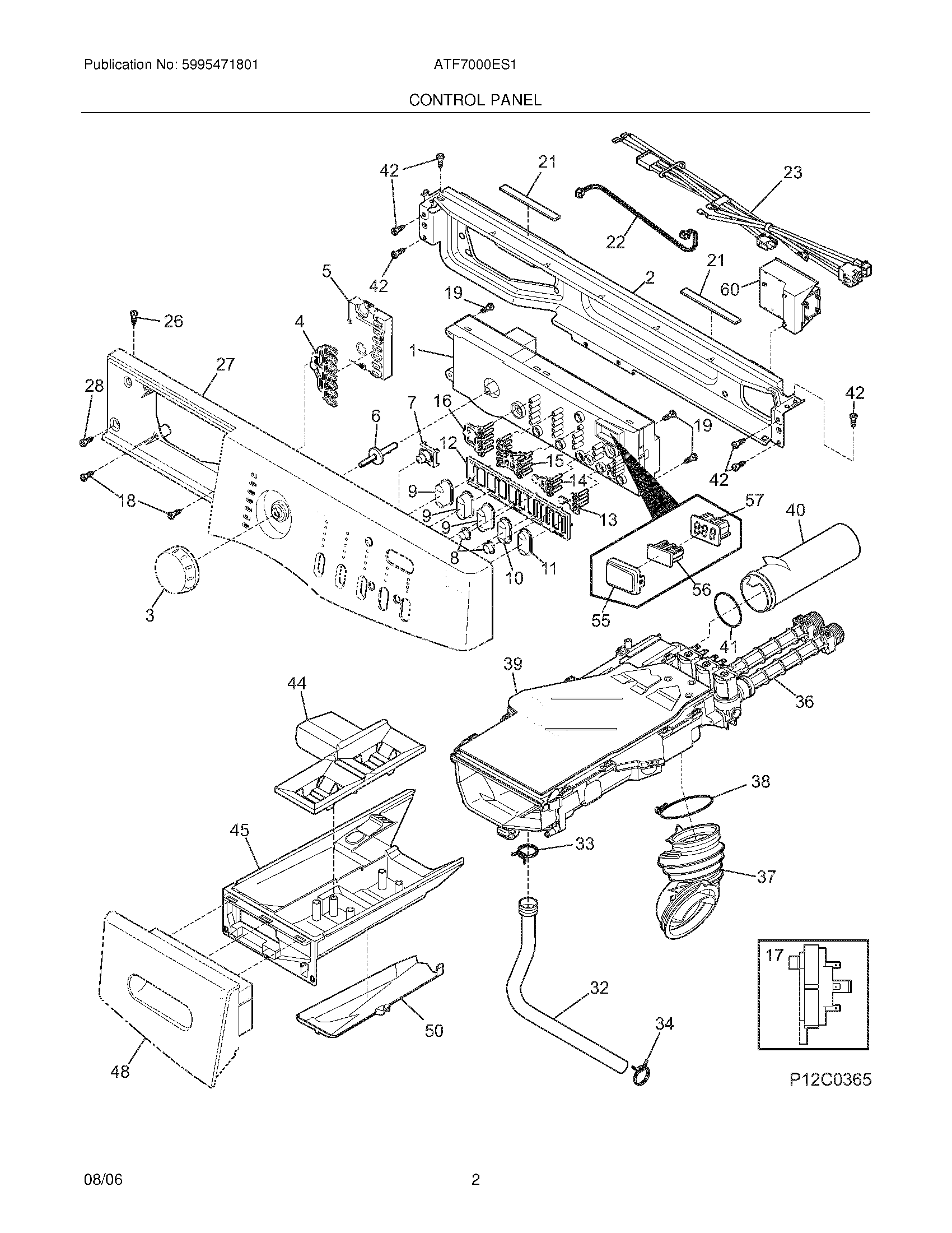
ATF7000ES1 03 – CONTROL PANEL