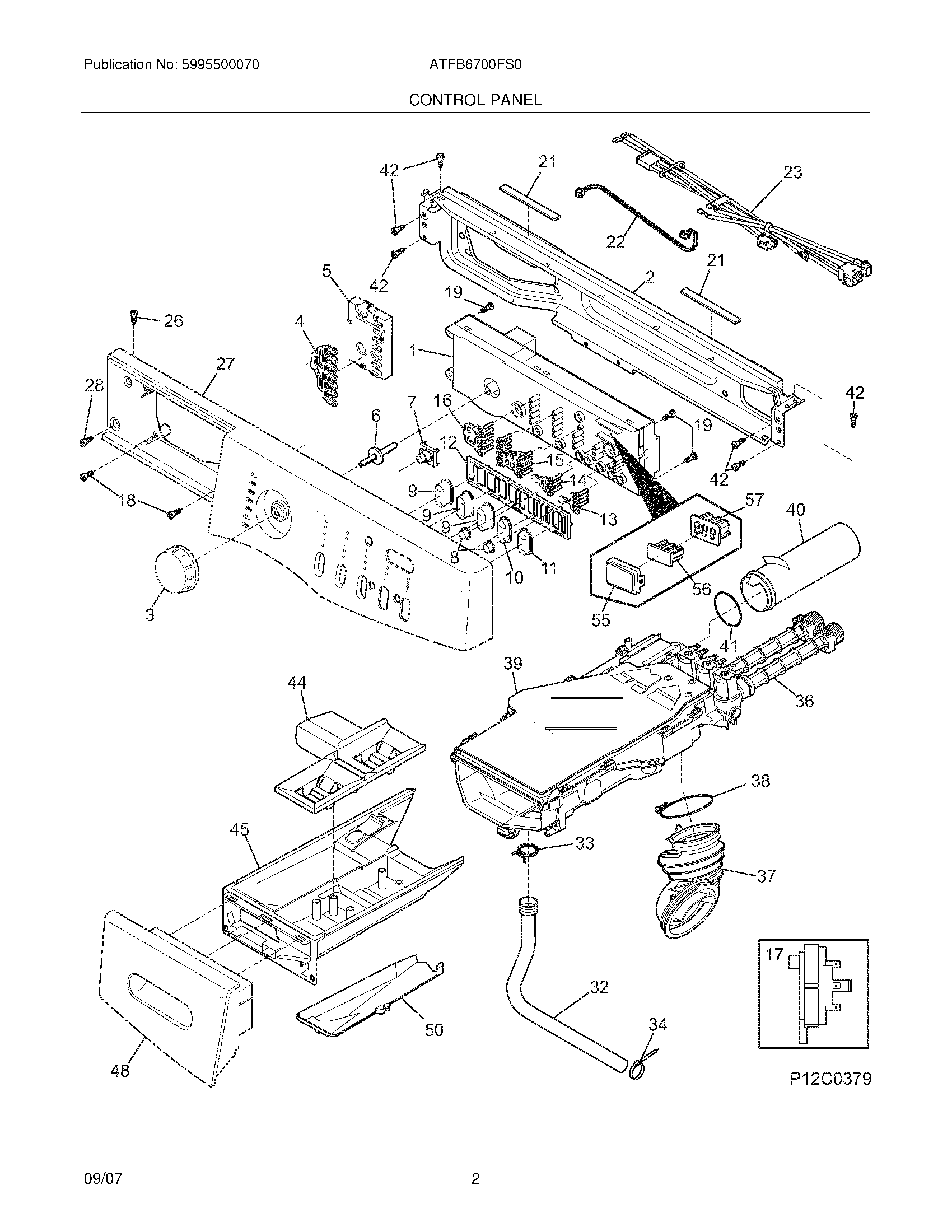
ATFB6700FS0 03 – CONTROL PANEL