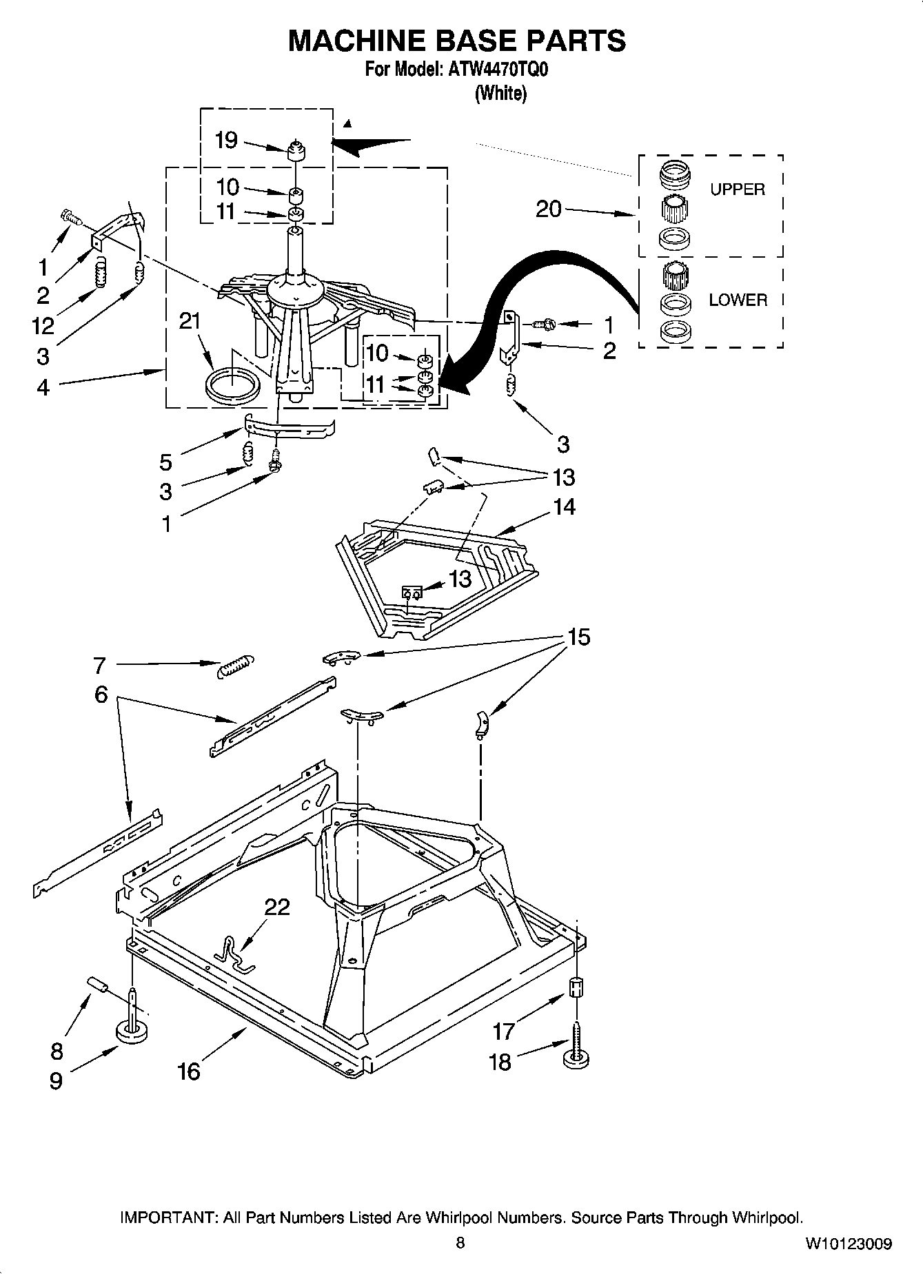
ATW4470TQ0 05 – MACHINE BASE PARTSadmin2025-04-26T09:10:00+00:00ATW4470TQ0 05 – MACHINE BASE PARTS ProductsPositionProduct1Screw, 10-32 x 5/82MAY 640673SPRING, SUSPENSION(3)4MAY 85752145MAY 640656MAY 634667MAY 625978MAY 628379MAY 6259610MAY 854645511MAY 35740912MAY 38849213MAY 6256814MAY 394650915MAY 336366016Base Assembly (Includes Items 6, 7, 8, 9, 13, 14, 15 & 22)17Nut, 3/8-1618MAY W1000113019MAY 857737420MAY 28520321MAY 6313422MAY 63806