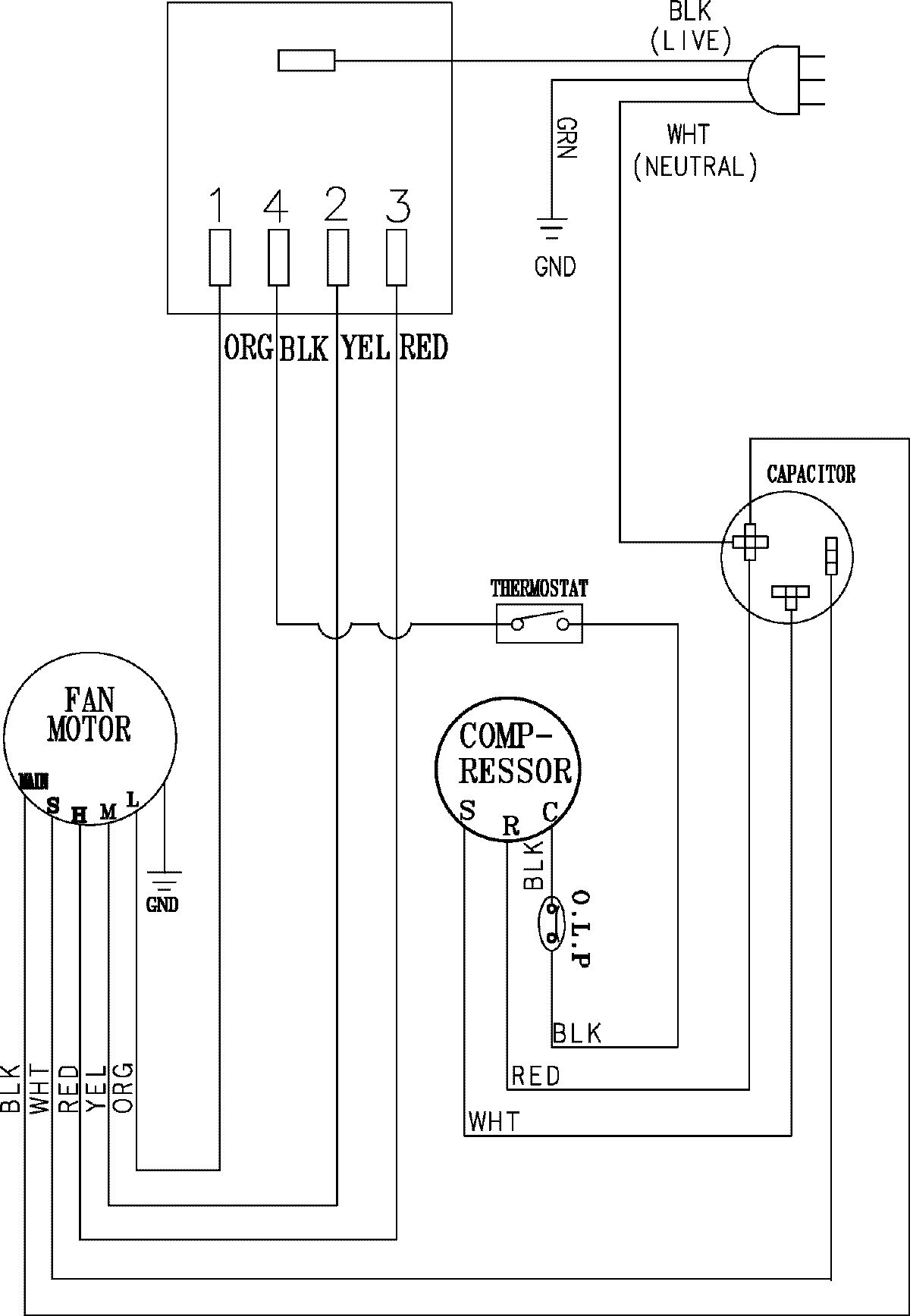
AW050CM 05 – WIRING INFORMATIONadmin2025-04-26T09:12:58+00:00AW050CM 05 – WIRING INFORMATION ProductsPositionProductNIMAY 15003930