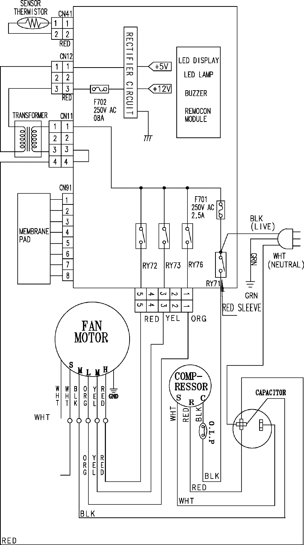
AW089CB 05 – WIRING INFORMATIONadmin2025-04-26T09:12:45+00:00AW089CB 05 – WIRING INFORMATION ProductsPositionProductNIMAY 15003951