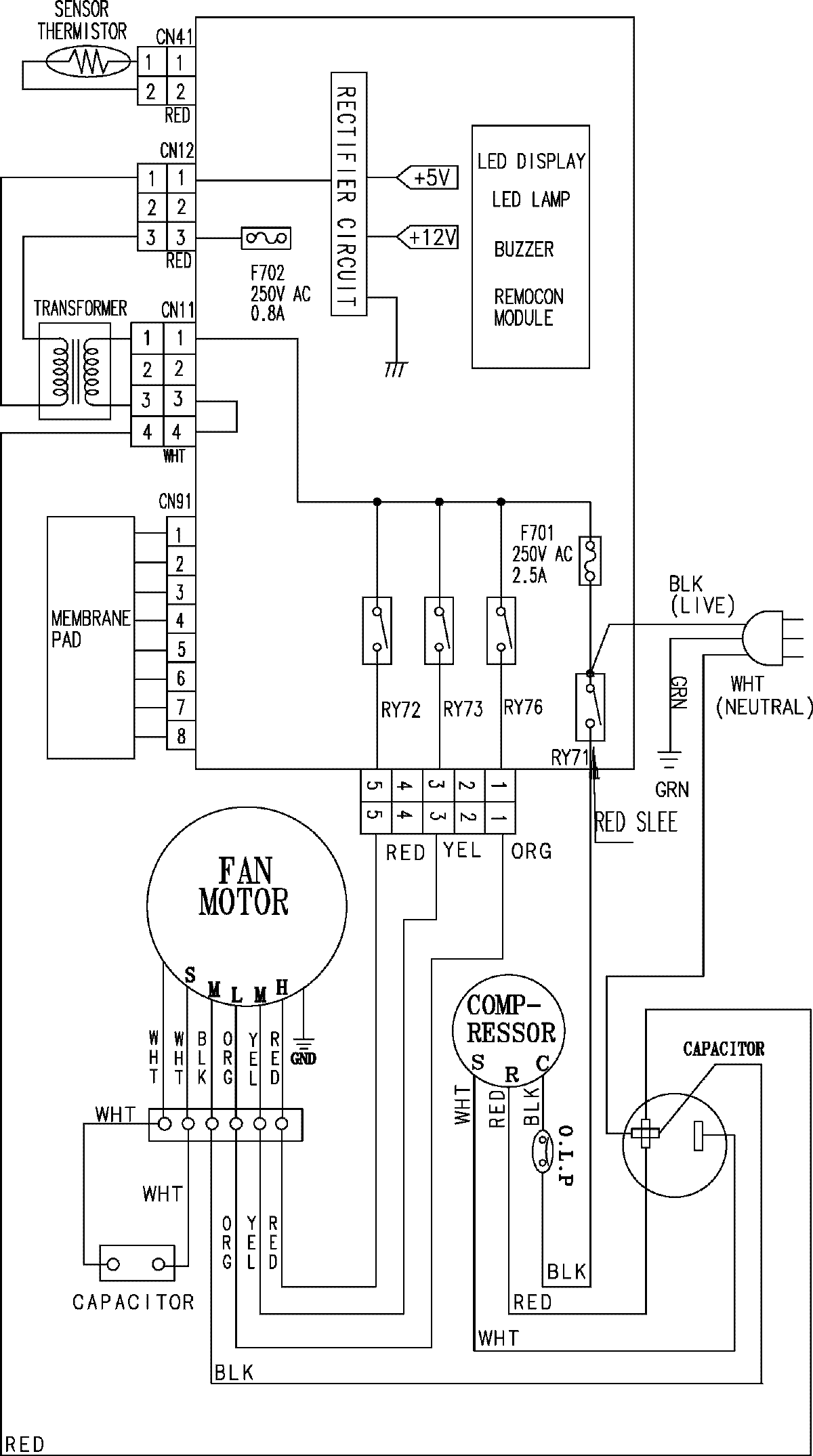
AW109AB 05 – WIRING INFORMATIONadmin2025-04-26T09:13:58+00:00AW109AB 05 – WIRING INFORMATION ProductsPositionProductNISEE NOTE GROUND WIRE, GREEN