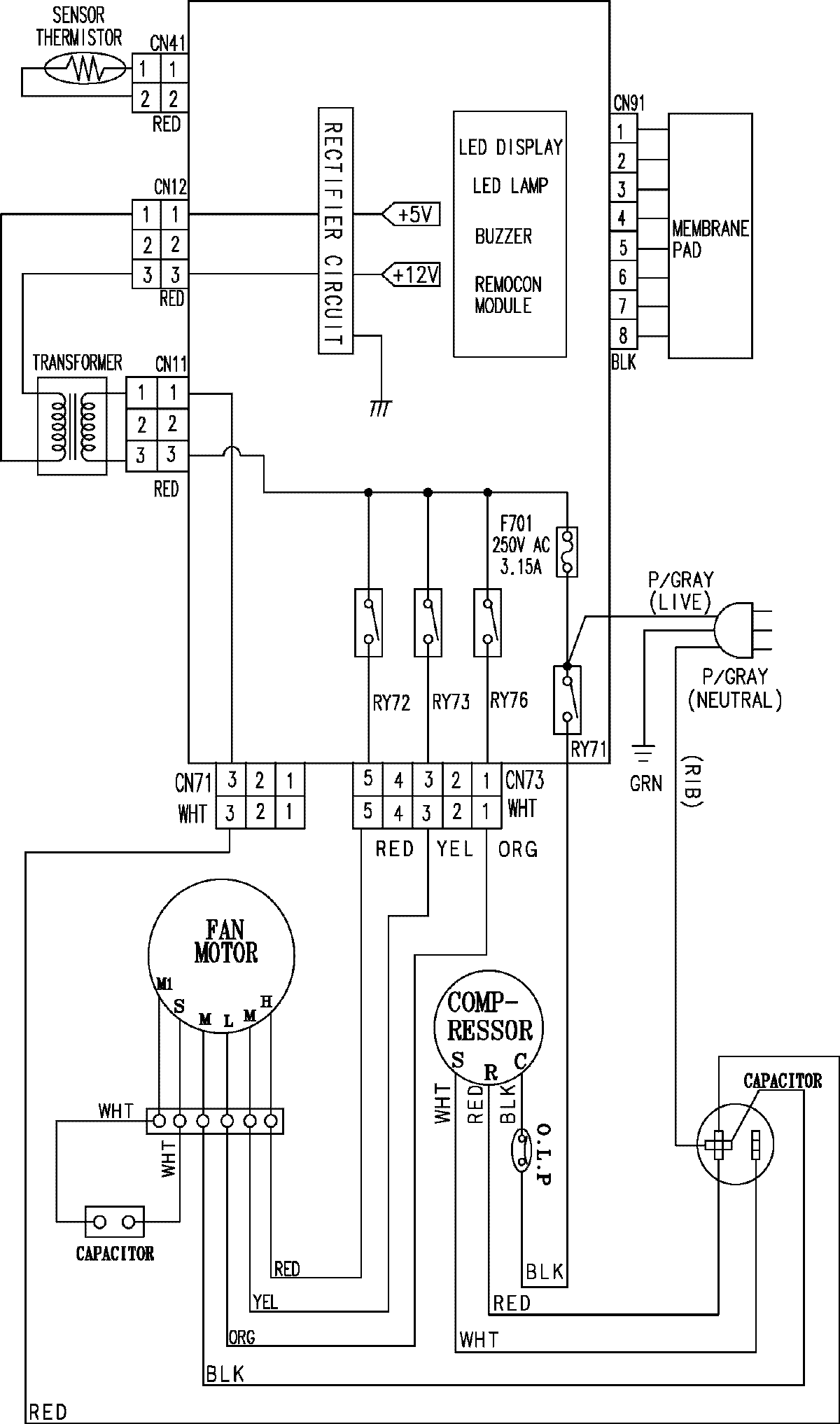
AW1203B 05 – WIRING INFORMATIONadmin2025-04-26T09:14:14+00:00AW1203B 05 – WIRING INFORMATION ProductsPositionProductNIMAY 15003959