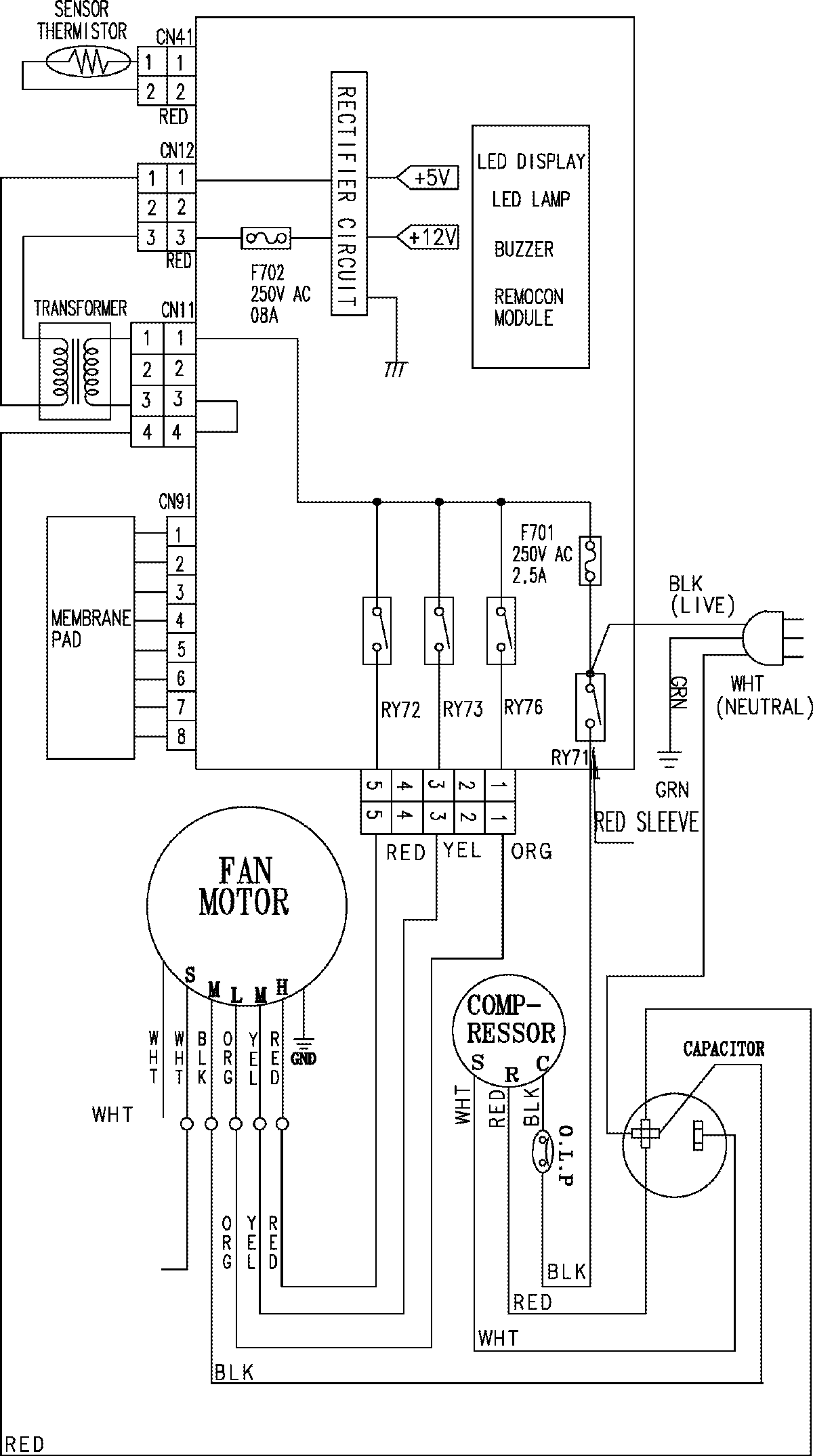
AW129CB 05 – WIRING INFORMATIONadmin2025-04-26T09:14:25+00:00AW129CB 05 – WIRING INFORMATION ProductsPositionProductNIMAY 15003951