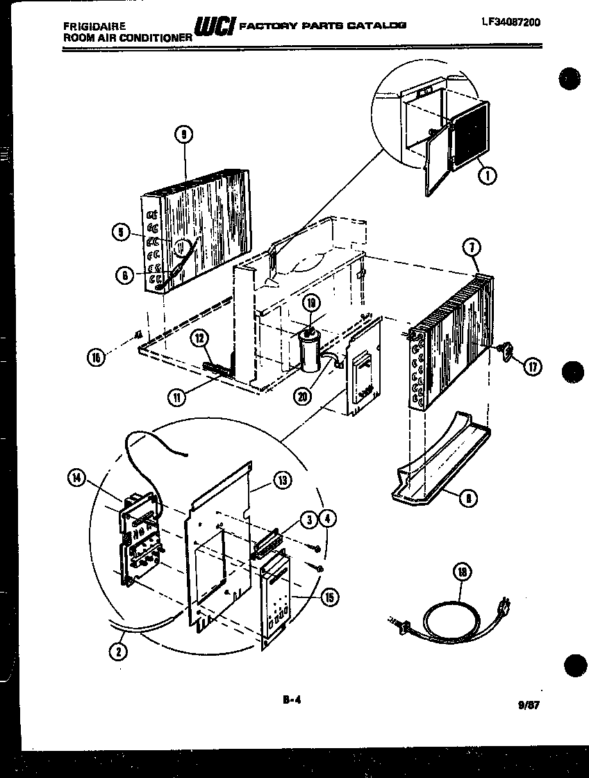
AW15NE5E1 04 – UNIT PARTSadmin2025-04-26T08:51:11+00:00AW15NE5E1 04 – UNIT PARTS ProductsPositionProduct1WCI 80162342CABLE, VENT DOOR3ARM-ACTUATOR4BRACKET-ACTUATOR5TUBE-CAPILLARY6FILTER-DRIER7WCI 80137178TRAY9WCI 801376510CLAMP-CAPACITOR10CLIP-CONDENSER11WCI 800902212WCI 800902713PANEL-COVER14WCI 801731715WCI 801713916WCI 801606617HOLDER-THERMSTOR (NON-ILLUSTRATED)18WCI 800688119WCI 801622821CLIP-CAP. TUBE