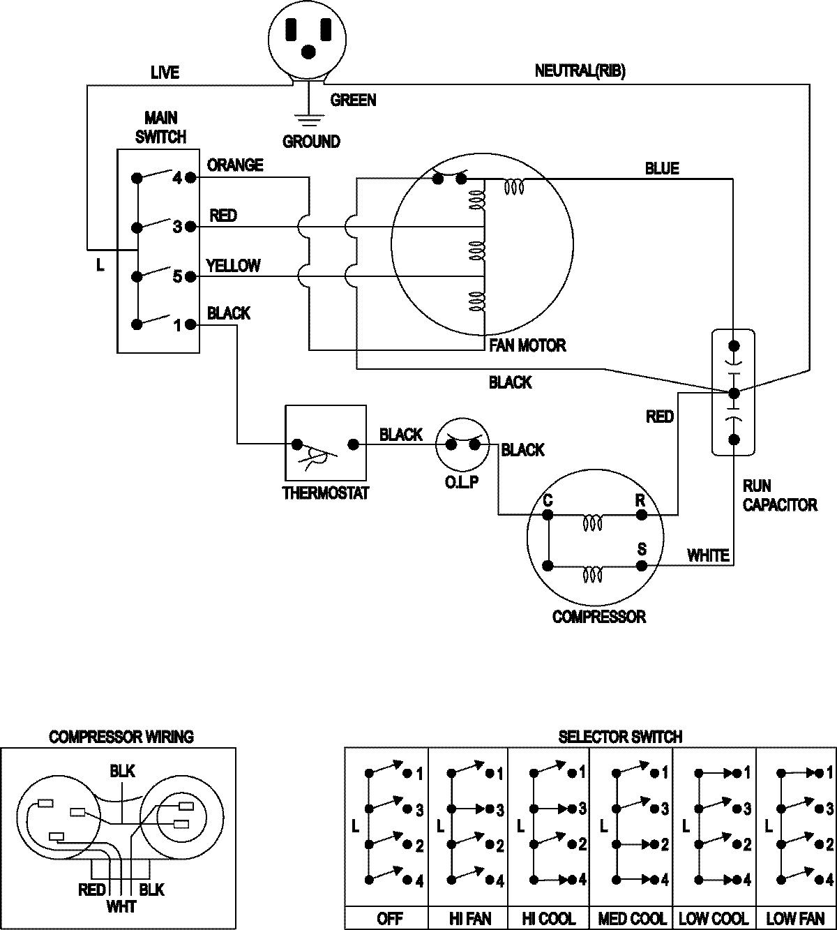
AW1800A 05 – WIRING INFORMATIONadmin2025-04-26T09:12:29+00:00AW1800A 05 – WIRING INFORMATION ProductsPositionProductNIMAY 15003943